
aký kondenzátor použít nebo jaké jiné řešení
Dobrý den…dobří lidé, prosím pomozte nešťastníkovi!!!!! Posílám spousty obrázků i schema mého zapojení, abych vše jen nepopisoval. Pulzní zdroj 40W (je vidět na foto), který je nastavitelný na vyšší napětí než je 12v – což mi zvyšuje účinnost 6ti ventilátorů (a vůbec jim nevadí 13,5V a krásně odsávají) to sice krásně zvládá a ani se moc nehřeje, ale problém je v tomto: zdroj nezvládne prvotní špičku rozběhu všech ventilátorů. Takže několikrát vypadne na ochranu než se mi ventilátory roztočí. Vyřešil jsem to odpory s překlenovacím vypínačem. Takže jsem zapnul 230V do zdroje a po cca 1vteřině přepnul vypínač na zkrat až se prvotní špička rozběhu zmenšila. O.K. to fungovalo, jenže jsem už třikrát zapomněl přepnout do zkratu odporů, ty se po chvíli rozpálili do běla a já propálil na třech místech lavici….byl jsem inzultován od paní domácí.
Tady na poradně jste mi poradily zpožďovací relé s časovačem 555 a já si objednal hned 2 kusy. Super, to také funguje perfektně, ale bohužel cca 5x. Pak modul odejde a spíná okamžitě. Je to vidět na schématu. Napadá mě, že někde do něj musí vletět nějaké špička, ale nevím odkud – s výstupy relé to nemůže mít nic společného. Napadá mě dát na napájecí svorky modulu kondenzátor, který špičku pojme!!!!! Ale nevím jaký??? Součástkovou základnu mám víc než bohatou a objednal jsem si hned 7 nových modulů. Prosím, moc prosím, jaký koďan tam dát???? Nebo je to v něčem jiném.??? Moc děkuje invalidní důchodce Michal.
Moc se omlouvám, ale nenašel jsem možnost, jak připojit přílohy, takže mi asi nikdo neporadí
cívky relé generují velkééé špičky. ty pochopitelně nejdou filtrovat paralelním kondenzátorem, takto kondy nefungují.
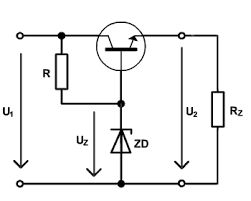
transil - a musí být jednosměrný (unipolar), 1.5kw.
volí se napětí Vbr o 2-3V větší než napájení.
nahrát přílohu normální velikosti jde přes ikonu sponky.
Moc Vám děkuji, ale je nad slunce jasné, že když relé spíná tranzistor, tak se k cívce relé musí přidat paralelně i dioda v závěrném směru. Dělám to tak celý život a nikdy mi spínací tranzistor s relátkem v v kolektoru neshořel. Proboha, snad výrobce tohoto modulu není tak blbej, že by to nevěděl. Vaší odpovědi sice vůbec nerozumím, ale děkuji za radu moc a moc a přes sponku přidávám obrázky. ještě mě napadlo, že moduly mohou odpalovat i ventilátory v doběhu. Co jim tam dát duodu cca 6A a přidat na zdroji o 0,8 V více????
psal jsem transil, ne dioda v závěrném směru.
jestliže odpínané relé generuje na napájení úzkou strmou špičku 100V, tu není žádný kondenzátor schopný vyfiltrovat. dioda v závěrném směru ji taky neomezí. 555 s mezním napětím 15-18V odejde.
...se dívám na to schéma: tam je jeden modul s relé, které spíná 6 paralelních ventilátorů? celkový odběr jejich cívek přes 2A?? tak to je záhul.
k cívce relé zespodu dps: https://www.gme.cz/transil-unipolarni-sm6t15a ... proužek na +
a k těm ventilátorům, dejme tomu že bude stačit jediný ke všem: https://www.gme.cz/transil-unipolarni-1-5ke15a ... radši jich vzít víc.
Já nevím, třeba je to nějaký nový způsob, ale prošlo mi rukama spousta profesionálně vyráběných zařízení a snad nikdy jsem neobjevil paralelně k cívce relé transil. Zato vždy antiparalelně zapojenou diodu.
Také předpokládám, že ač čínský výrobce, není tak hloupý, aby v tom modulu nebyla.
Jinak v tom zapojení nevidím nic, co by mělo ten zpožďovací modul odepisovat. Bylo by vhodné zjistit, co v modulu odchází, jestli časovač s 555, nebo jen spinací tranzistor relé.
Pokud by ale byl modul velmi citlivý na přepětí, bylo by dobré nějak zjistit, jestli spínaný zdroj neprodukuje
(neměl by , ale....), při zapnutí, nebo vypnutí nějaké překmity.
Další možností, to bych vyzkoušel jako první, nejsnažší, dát antiparalelní diodu k ventilátorům. Ty by skutečně při vypnutí mohly nějakou špičku vygenerovat a to zápornou, což by obvod asi nemiloval.
Tak tohle vůbec nechápu....asi jsem zaspal dobu
ale
Moc Děkuji…..zenerky jsem zatím nehledal a nejsem si jistý, že bych správně spíčítal předřadný odpor, protože modul odebírá podstatně míň když zpožďuje a pak mnohem víc, když přitáhne relé. Už to řeším s 7812 a už tu mám připravené i blokovací koďany 0,33 a 0,1 . Zároveň dám do modulu i paralelně k cívce, ale to mi přijde už jako blbost. Výrobce to musí vědět a spínací tranzistor tak musí chránit. Bohužel v modulu jsou jen plošné součástky, tak se v tom nedá moc vyznat!!!!. Jestli tohle vše nepomůže (v úterý mi přijdou nové dva moduly……a z Ebay 5ks až za měsíc) tak dám ještě KY 6A do výstupu pro ventilátory. M.
panebože, zas dokola o kondenzátorech. a ty mají jako dělat co?
to zas není úplně malá cívka relé, ale hlavní je ta šestice ventilátorů paralelně. při spínání a rozpínání vznikají špičky až stovky volt v obou směrech, na to se stačí podívat (rychlým) osciloskopem. anebo kupovat furt nové moduly z alienexpresu.
ty špičky mají velkou hodnotu, strmost nárůstu a nějakou energii. proto nestačí malý kond. a ani velký, kterému brání ve filtraci jeho parazitní indukčnost.
proto se na odřezání používají buď varistory (výkonnější, pomalejší), nebo transily určené pro špičkový výkon 1-10ms.
dioda v závěrném směru odřezává jen záporné špičky, pro ně vede. (proto taky píšu unipolární transil).
nevede pro kladný směr, ale odříznutím půlky energie v záporné špičce už není kladný překmit tak velký. přesto může zničit i málo dimenzovanou ochrannou diodu (If, Ur)
spínací tranzistor to přežije, běžně mívá Uce0 až 100V. ale 555 ze stejného napájení je dávno v pánu.
jedna technická: transily mají se zenerkami stejnou charakteristiku, ale výrobně jde o trochu jinou součástku. zatímco transil se využívá právě k odřezání impulsních špiček, běžná zenerka vůbec přetížitelná není a odejde. čili nejde je zaměňovat. (ale nazývat je impulsními zenerkami můžem, proč ne)
a prosil bych pány od rozvodné elektriky, ať se nevyjadřují k tomu, o čem nemají šajn.
moc vám děkuji, ale jsem již důchodce vůbec nevím, co je "trasil" , ala ošetřím to 7812 v napájení modulu a pak diodou v závěrném směru k napájení ventilátorů. Michal
https://www.gme.cz/transil-unipolarni-sm6t15a ... to jsem plánoval k relé
https://www.gme.cz/transil-unipolarni-1-5ke15a ... toto ke stádu ventilátorů, snad bude stačit jeden.
Kondenzátor na výstupe zdroja nie je šťastné riešenie, situáciu to len zhorší - pri zapnutí sa musí nabiť, teda prúdová špička sa len zväčší. Neviem aký oneskorovací člen používaš, ale ak je to niečo takéto: https://techfun.sk/produkt/rele-timer-ne555-oneskorovaci-obvod/ , tak ten sa dá poškodiť len napäťovými špičkami. Skús to napájať cez obmedzovač napätia (NPN tranzistor so zenerovou diódou 12V, zapojené ako emitorový sledovač). Samozrejme týmto stabilizátorom napájaš len elektroniku oneskorovacieho člena, relé bude pripojené priamo na výstup zdroja (tých 13,5V) v sérii s ventilátormi.
Moc Vám děkuji. Dalších součástek se do krabičky moc nevejde, ale je nad slunce jasné, že když relé spíná tranzistor, tak se k cívce relé musí přidat paralelně i dioda v závěrném směru. Dělám to tak celý život a nikdy mi spínací tranzistor s relátkem v v kolektoru neshořel. Proboha, snad výrobce tohoto modulu není tak blbej, že by to nevěděl. Vaší odpovědi sice vůbec nerozumím, ale děkuji za radu moc a moc a přes sponku přidávám obrázky. ještě mě napadlo, že moduly mohou odpalovat i ventilátory v doběhu. Co jim tam dát duodu cca 6A a přidat na zdroji o 0,8 V více????
Po pozretí si schémy zapojenia môžem len potvrdiť to, čo som už napísal. Chyba je v tom, že pulzný zdroj v prvom okamihu napája len elektroniku časovača. V takom stave (prakticky naprázdno) môže generovať napäťové špičky, ktoré odpália riadiace obvody časovača. Tie je treba odfiltrovať.
Obrázok čo som dal v predchádzajúcej odpovedi to zvláda. Tranzistor je ľubovoľný spínací NPN s povoleným kolektorovým napätím min. 100V a emitorovým prúdom min. 100mA. Odpor cca 100ohm/0,25W. Zenerova dióda ľubovoľná s Uz 12V. Namiesto diód ktoré znižujú napätie pre časovač pripoj kolektor tranzistora, do vstupu oneskorovača pripoj emitor. Ostatné podľa obrázku. Ak nemáš fakt dosť miesta na tieto súčiastky a chce sa ti experimentovať, tak môžeš skúsiť pripojiť len jeden či dva ventilátory priamo na zdroj a zvyšné ventilátory cez časovač. Ten prvý by mal spôsobiť, že zdroj nebude na začiatku bežať naprázdno ale do slabšej záťaže a teda nemali by vznikať tak veľké napäťové špičky.
A ešte poznámka: O paralelnej dióde k vinutiu relé som naozaj nič nepísal, to má výrobca oneskorovača vyriešené a do obvodov časovača naozaj netreba zasahovať.
Moc Děkuji…..zenerky jsem zatím nehledal a nejsem si jistý, že bych správně spíčítal předřadný odpor, protože modul odebírá podstatně míň když zpožďuje a pak mnohem víc, když přitáhne relé. Už to řeším s 7812 a už tu mám připravené i blokovací koďany 0,33 a 0,1 . Zároveň dám do modulu i paralelně k cívce, ale to mi přijde už jako blbost. Výrobce to musí vědět a spínací tranzistor tak musí chránit. Bohužel v modulu jsou jen plošné součástky, tak se v tom nedá moc vyznat!!!!. Jestli tohle vše nepomůže (v úterý mi přijdou nové dva moduly……a z Ebay 5ks až za měsíc) tak dám ještě KY 6A do výstupu pro ventilátory. M.
Hlavne nezasahuj do modulu. To už vyriešil výrobca a časovače úspešne a bez problémov predáva v obrovských sériách. Použitie stabilizátora 7812 je dobrý nápad, ale mysli na to, že 7812-ka bude pracovať mierne mimo doporučených hodnôt napätia pre tento integrovaný obvod (rozdiel medzi vstupným a výstupným napätím bude 1,4V a to je menej ako sú doporučené 2V a neviem aké sú vysoké napäťové špičky ktoré generuje zdroj pri chode naprázdno - mohli by ohroziť 7812-ku). Za vyskúšanie to ale stojí a s najväčšou pravdepodobnosťou to fungovať bude. A čo tak použiť 7809 a strednú nožičku GND pripojiť na zem cez dve či tri kremíkové diódy v priepustnom smere v sérii? to by sme sa dostali s výstupom stabilizátora na cca 10,4 až 11,1V. A to už je prijateľný napäťový rozdiel medzi vstupom a výstupom stabilizátora a časovač by s istotou mal pri tomto napätí fungovať dobre. Špičky, ktoré údajne generujú ventilátory pri odpojení v danom zapojení sú nepodstatné. Dá sa povedať, že sú to len fantasmagorické predstavy niektorých radcov. Ak by aj vznikli, tak by sa prejavili len trochu väčšou iskrou na kontaktoch relé, relé však je na to stavané a dokonca ventilátory v tvojom prípade odpojí až vtedy, keď už je všetko bez prúdu. Ten odpor paralelne pripojený ku kontaktom relé tam nedávaj. Nerieši problém, preto je zbytočný.
Dá se sehnat "low-drop" stabilizátor, který potřebuje jen půl voltu nebo míň. Dělám tak 3v3 z 5V (7805 fungoval také, ale chtěl jsem to mít korektní, navíc těch 5V může klidně být stejně tak 5.25 nebo 4.75 i míň a to už je hodně mimo). Pro 3.3V se jmenoval nějak jako LT33 pro 5V LT50, ani nebyl tak drahý. Ovšem ten stabilizátor taky nějaké špičky na vstupu nesnese. Pamatuju si z učňovských dob jak jsme jich několik odpálili napojením na 24V rozvod (amplituda od 24V~ je nějakých 30V, i když počítám něco navíc (bylo to spíš 27V), do 40V které má ten stabilizátor snést pořád něco zbývá). Tyto low-drop snesou o dost méně (tehdy mě to překvapilo, ale škála napájení byl 6V (nebo 12V) olověný akumulátor, 3 buřty NiMh nebo powerbanka (jakmile se staly cenově dostupné už nic jiného nepoužívám, ale dřív jsem opravdu jezdil s Pb cihlou nebo 4 buřty velikosti R20) a na všechny tyto možnosti to stačilo).
Ventilátor, pokud to neni holý motor (tedy je to například bezkartáčový elektronicky spínaný motor (BLDC) tj. takový jaký se používá v PC a všude jinde) žádné špičky negeneruje, ty jsou už pohlcené uvnitř.
Pokud je problém to, že zdroj dává naprázdno větší napětí, řešil bych to balastní zátěží. Co taková indikační žárovka (opravdu klasická 12V žárovka v E10 přiměřeného výkonu, ale aby moc netopila, nemusí to být hned autožárovka do předních světlometů). Zřejmě to samé by mohl dělat ten odpor, ale jak už tu bylo napsáno, ventilátor po zapnutí nic nebere (než elektronika začne spínat chvíli trvá).
Nejlepší by bylo změřit, co se v obvodu děje, ale to bez osciloskopu půjde špatně (není to nemožné, ale bude to spíš věštění).
Podle naznačeného schématu by se dalo oddělit napájení časovacího modulu. 555 by měla snést až 15V, ale má tak nicotný odběr, že právě na její odpálení stačí málo. Kdyby se k tomu kondenzátoru v jejím napájení přidal do série odpor, mohl by něco pohltit, ale pak by zase nemuselo spínat relé (pro úbytek na odporu). Takže oddělení třínožiškovým stabilizátorem (pokud neodejde na přepěťové špičky on) se zdá jako rozumný nápad. Ještě rozumnější by bylo napájení z jiného zdroje, který takové problémy nezpůsobuje (ne nadarmo se doporučuje napájet silovku jiným zdrojem než řídicí elektroniku).
Dobrý den…dobří lidé, moc a moc Vám všem děkuji za užitečné rady. Už jsem sestavil ochranu modulu s 7812 (i s kondenzátory) a proměřil. Bohužel na mém laboratorním můžu nastavit max 16V, ale i 16V mi to stále drží 12,1V (bez zátěže) Na výstupu. Ve středu nebo ve čtvrtek mi přijdou první dva nové moduly. Mám to připravené tak, že to jen přišroubuji do svorek a na výstup k ventilátorům už mám připravenou paralelní KY 1000V/ 1A. Jestli ani tohle nepomůže a modul zase odejde, tak ještě zkusím dá 6A diodu do napájení ventilátorů. Pokud ani toto nepomůže (dalších 5 modulů mi přijde z Ebay až za měsíc) tak už fakticky nevím a půjdu cestou (jak mi tu někdo z vás nabízel a koupím to od něj) dvojího napájení.
Moc děkuji úplně všem. Mám ještě jeden problém s čerpadlem a spínacím relátkem, ale na to otevřu nový dotaz.
Děkuji, Michal
"" Špičky, ktoré údajne generujú ventilátory pri odpojení v danom zapojení sú nepodstatné. Dá sa povedať, že sú to len fantasmagorické predstavy niektorých radcov."
Jenže ta fantasmagorická představa je zřejmě celý problém, který se tu řeší kupou pomocných obvodů, přídavnými stabilizátory a podobně.
Pokud zpožďovací modul odchází v tomto zapojení, nějaký důvod to mít musí.
A jaký? Že by průmyslový spínaný zdroj produkoval nějaké špičky je málo pravděpodobné.
Indukční špička generovaná cívkou relé, je jistě ošetřená už výrobcem modulu.
Tak kde se v daném zapojení může vzít nějaké přepětí, které by modul odepsalo????
Jediná indukce, kterou jsem v zapojení našel a která může špičky vytvořit, jsou ventilátory. Nebo je tam nějaký jiný zdroj vyššího napětí???
Jak je mi známo, každá indukčnost při přerušení proudu vygeneruje napěťovou špičku.
ALE--- Tato ind. špička má obrácenou polaritu, než byl budící proud.
Po přerušení napájecího proudu, ventilátory vytvoří napěťovou špici, která se dostane přes předřadný odpor do napájení modulu.
Tato indukčmí špička má ale ZÁPORNOU polaritu. Obvod neničí ani tak přepětí, jako obrácené napětí.
Mysím tedy, že celý problém vyřeší antiparalelní dioda u ventilátorů. Pro jistotu bych možná dal diodu v propustném směru v napájení modulu.
Pokud se mýlím tak sorry.
Také jsem chtěl napsat, že s těmito "oplechovanými" zdroji nejsou problémy (a že jich mám v různých aplikacích). Ale kromě značkových existují i čínské a za ty bych ruku do ohně nedal. Je to tak, že to chce nejdřív najít příčinu a to je půlka řešení. Nečetl jsem to celé, jestli se někde nepíše jaké ventilátory jsou použité, ale na 99% žádné špičky neprodukují. Pokud to neni nějaká vykopávka typu chladič z embéčka.
Dobrý den…dobří lidé, moc a moc Vám všem děkuji za užitečné rady. Už jsem sestavil ochranu modulu s 7812 (i s kondenzátory) a proměřil. Bohužel na mém laboratorním můžu nastavit max 16V, ale i 16V mi to stále drží 12,1V (bez zátěže) Na výstupu. Ve středu nebo ve čtvrtek mi přijdou první dva nové moduly. Mám to připravené tak, že to jen přišroubuji do svorek a na výstup k ventilátorům už mám připravenou paralelní KY 1000V/ 1A. Jestli ani tohle nepomůže a modul zase odejde, tak ještě zkusím dá 6A diodu do napájení ventilátorů. Pokud ani toto nepomůže (dalších 5 modulů mi přijde z Ebay až za měsíc) tak už fakticky nevím a půjdu cestou (jak mi tu někdo z vás nabízel a koupím to od něj) dvojího napájení.
Moc děkuji úplně všem. Mám ještě jeden problém s čerpadlem a spínacím relátkem, ale na to otevřu nový dotaz.
Děkuji, Michal
Áno, je. Spínaný zdroj má zvyčajne pracovný rozsah od cca 20 až 30% do 100% menovitého výkonu. Výrobca zaručuje aj nejaké percento preťaženia na kratšiu dobu. Mimo tejto oblasti (v našom prípade záťaž blízka nule) nie je zaručená správna činnosť (spínaného) zdroja. Objavujú sa prepätia a napäťové špičky. Napr. ak na PC zdroji odpojíš záťaž z 12V vetvy, tak prepäťová ochrana z tohoto dôvodu vypne celý zdroj. (Uznávam, že niektoré PC zdroje môžu byť ošetrené v tomto smere a zdroj nevypadne).
Pán medvídek181 tam má ventilátory na jednosmerných 12V a ja nepredpokladám, že by v nich mohli byť klasické mechanické komutátory. S najväčšou pravdepodobnosťou ide o elektronicky riadené komutovanie ako v PC ventilátoroch. Tam naozaj pri vypnutí nehrozí nejaká napäťová špička - či už kladná, alebo záporná. Riadiaca elektronika nič také do napájania neprepustí. A to by som asi tento príspevok ani nenapísal, lebo v mojom PC sú 3 alebo 4 takéto ventilátory.
A ešte niečo... ale to sa mi už nechce písať, diplomovku mám už veľmi dávno za sebou...
Nebylo uvedeno, jaké jsou to ventilátory.

""v našom prípade záťaž blízka nule""
Koukám na schema jak můžu a stále nemůžu přijít na to, kdy je zdroj bez zátěže.
Vidím stále připojený časovač (zanedbatelné), ale také všechny paralelní ventilátory. Odpor asi 3ohm, velkou roli nehraje.
Nebolo síce uvedené aké tam sú ventilátory, ale čo sa týka princípu pohonu nemáme toho príliš veľa na výber. Hlavne ale nebolo uvedené nič o zdroji a tam ja vidím problém. Zdroj je (prakticky) bez záťaže pri rozbehu predtým, ako zopne relé. Predpokladám však, že 3ohm odpor tam pôvodne nebol, dostal sa tam až potom, čo "odišiel" časovač. Medvidek181 by mal v prvom rade chrániť časovač pred prepätím. Nemám nič proti tomu, aby okrem stabilizátora/obmedzovača dal aj ochranu proti zápornému impulzu napr. pripojením diódy na vstupné svorky časovača v nepriepustnom smere. Nemyslím, že by to na veci niečo zmenilo, ale určite by to rozptýlilo tvoje obavy zo zápornej napäťovej špičky.
Nějak špatně jsi si prohlédl, nebo pochopil, to schéma. Ten odpor je tam pro snížení odběrového proudu při rozběhu (odporový dělič - výkonový rezistor) do série, aby nevypínala nadproudová ochrana spínaného zdroje. Po rozběhu ventilátorů, to časové relé, překlene kontaktem, tento vložený odpor a pak už jde na ventilátory plné napětí 13,5V.
Celé toto nemá s napájením toho časového relé žádnou spojitost.
Ale "něco" zřejmě způsobuje, na výstupu z toho spínaného zdroje to, že "odejde" opět "něco" na tom časovém relé (já typuji nejspíše ten IO, který je mosfet). Zda je to třeba jen to zvýšení napětí z původních 12V na těch 13,5V (které, dle tazatele "lépe točí ty ventilátory") to těžko říct. A pokud by se k tomu přidal ještě případný "pokles" napětí při rozběhu těch ventilátorů (to už spekuluji), také těžko odhadnout. To by chtělo pak třeba provést přesnější měření třeba s digitálním měřákem zobrazujícím i křivkou, v závislosti na čase a průběhu rozběhu, změnu napětí, případně proudu. Ale to je spíše již laborování a tenhle měřák zřejmě tazatel ani nemá (pozn. nejde o klasický osciloskop).
Já bych to osobně řešil určitě jednoduše a spolehlivě, oddělením silového napájecího zdroje pro ventilátory a samostatným "prckem" pro to časové relé. Což také obsahovala ta základní otázka "nebo jaké jiné řešení".
Dobrý den…dobří lidé, moc a moc Vám všem děkuji za užitečné rady. Už jsem sestavil ochranu modulu s 7812 (i s kondenzátory) a proměřil. Bohužel na mém laboratorním můžu nastavit max 16V, ale i 16V mi to stále drží 12,1V (bez zátěže) Na výstupu. Ve středu nebo ve čtvrtek mi přijdou první dva nové moduly. Mám to připravené tak, že to jen přišroubuji do svorek a na výstup k ventilátorům už mám připravenou paralelní KY 1000V/ 1A. Jestli ani tohle nepomůže a modul zase odejde, tak ještě zkusím dá 6A diodu do napájení ventilátorů. Pokud ani toto nepomůže (dalších 5 modulů mi přijde z Ebay až za měsíc) tak už fakticky nevím a půjdu cestou (jak mi tu někdo z vás nabízel a koupím to od něj) dvojího napájení.
Moc děkuji úplně všem. Mám ještě jeden problém s čerpadlem a spínacím relátkem, ale na to otevřu nový dotaz.
Děkuji, Michal
Nejjednodušší řešení je použít zdroj, který utáhne ventilátory při rozběhu. Všechno ostatní léčba problémů, které vůbec nemusely nastat.
Podle mého názoru by vyšlo levněji objednat 60W zdroj, než ke stávajícímu přilepovat jako vlaštovka další a další rovnáky na vohejbák. O estetice a bezpečnosti ani nemluvě.
Ano, máš pravdu, já ho tady mám, ale nerad ustupuji před problémy a navíc se mi to postupné spouštění líbí.....vím, že jsem pako
Dobrý den…dobří lidé, moc a moc Vám všem děkuji za užitečné rady. Už jsem sestavil ochranu modulu s 7812 (i s kondenzátory) a proměřil. Bohužel na mém laboratorním můžu nastavit max 16V, ale i 16V mi to stále drží 12,1V (bez zátěže) Na výstupu. Ve středu nebo ve čtvrtek mi přijdou první dva nové moduly. Mám to připravené tak, že to jen přišroubuji do svorek a na výstup k ventilátorům už mám připravenou paralelní KY 1000V/ 1A. Jestli ani tohle nepomůže a modul zase odejde, tak ještě zkusím dá 6A diodu do napájení ventilátorů. Pokud ani toto nepomůže (dalších 5 modulů mi přijde z Ebay až za měsíc) tak už fakticky nevím a půjdu cestou (jak mi tu někdo z vás nabízel a koupím to od něj) dvojího napájení.
Moc děkuji úplně všem. Mám ještě jeden problém s čerpadlem a spínacím relátkem, ale na to otevřu nový dotaz.
Děkuji, Michal
Dobrý den…dobří lidé, moc a moc Vám všem děkuji za užitečné rady. Už jsem sestavil ochranu modulu s 7812 (i s kondenzátory) a proměřil. Bohužel na mém laboratorním můžu nastavit max 16V, ale i 16V mi to stále drží 12,1V (bez zátěže) Na výstupu. Ve středu nebo ve čtvrtek mi přijdou první dva nové moduly. Mám to připravené tak, že to jen přišroubuji do svorek a na výstup k ventilátorům už mám připravenou paralelní KY 1000V/ 1A. Jestli ani tohle nepomůže a modul zase odejde, tak ještě zkusím dá 6A diodu do napájení ventilátorů. Pokud ani toto nepomůže (dalších 5 modulů mi přijde z Ebay až za měsíc) tak už fakticky nevím a půjdu cestou (jak mi tu někdo z vás nabízel a koupím to od něj) dvojího napájení.
Moc děkuji úplně všem. Mám ještě jeden problém s čerpadlem a spínacím relátkem, ale na to otevřu nový dotaz.
Děkuji, Michal
Dobrý den…dobří lidé, moc a moc Vám všem děkuji za užitečné rady. Už jsem sestavil ochranu modulu s 7812 (i s kondenzátory) a proměřil. Bohužel na mém laboratorním můžu nastavit max 16V, ale i 16V mi to stále drží 12,1V (bez zátěže) Na výstupu. Ve středu nebo ve čtvrtek mi přijdou první dva nové moduly. Mám to připravené tak, že to jen přišroubuji do svorek a na výstup k ventilátorům už mám připravenou paralelní KY 1000V/ 1A. Jestli ani tohle nepomůže a modul zase odejde, tak ještě zkusím dá 6A diodu do napájení ventilátorů. Pokud ani toto nepomůže (dalších 5 modulů mi přijde z Ebay až za měsíc) tak už fakticky nevím a půjdu cestou (jak mi tu někdo z vás nabízel a koupím to od něj) dvojího napájení.
Moc děkuji úplně všem. Mám ještě jeden problém s čerpadlem a spínacím relátkem, ale na to otevřu nový dotaz.
Děkuji, Michal
Dobrý den…dobří lidé, moc a moc Vám všem děkuji za užitečné rady. Už jsem sestavil ochranu modulu s 7812 (i s kondenzátory) a proměřil. Bohužel na mém laboratorním můžu nastavit max 16V, ale i 16V mi to stále drží 12,1V (bez zátěže) Na výstupu. Ve středu nebo ve čtvrtek mi přijdou první dva nové moduly. Mám to připravené tak, že to jen přišroubuji do svorek a na výstup k ventilátorům už mám připravenou paralelní KY 1000V/ 1A. Jestli ani tohle nepomůže a modul zase odejde, tak ještě zkusím dá 6A diodu do napájení ventilátorů. Pokud ani toto nepomůže (dalších 5 modulů mi přijde z Ebay až za měsíc) tak už fakticky nevím a půjdu cestou (jak mi tu někdo z vás nabízel a koupím to od něj) dvojího napájení.
Moc děkuji úplně všem. Mám ještě jeden problém s čerpadlem a spínacím relátkem, ale na to otevřu nový dotaz.
Děkuji, Michal
Dobrý den…dobří lidé, moc a moc Vám všem děkuji za užitečné rady. Už jsem sestavil ochranu modulu s 7812 (i s kondenzátory) a proměřil. Bohužel na mém laboratorním můžu nastavit max 16V, ale i 16V mi to stále drží 12,1V (bez zátěže) Na výstupu. Ve středu nebo ve čtvrtek mi přijdou první dva nové moduly. Mám to připravené tak, že to jen přišroubuji do svorek a na výstup k ventilátorům už mám připravenou paralelní KY 1000V/ 1A. Jestli ani tohle nepomůže a modul zase odejde, tak ještě zkusím dá 6A diodu do napájení ventilátorů. Pokud ani toto nepomůže (dalších 5 modulů mi přijde z Ebay až za měsíc) tak už fakticky nevím a půjdu cestou (jak mi tu někdo z vás nabízel a koupím to od něj) dvojího napájení.
Moc děkuji úplně všem. Mám ještě jeden problém s čerpadlem a spínacím relátkem, ale na to otevřu nový dotaz.
Děkuji, Michal
Dobrý den…dobří lidé, moc a moc Vám všem děkuji za užitečné rady. Už jsem sestavil ochranu modulu s 7812 (i s kondenzátory) a proměřil. Bohužel na mém laboratorním můžu nastavit max 16V, ale i 16V mi to stále drží 12,1V (bez zátěže) Na výstupu. Ve středu nebo ve čtvrtek mi přijdou první dva nové moduly. Mám to připravené tak, že to jen přišroubuji do svorek a na výstup k ventilátorům už mám připravenou paralelní KY 1000V/ 1A. Jestli ani tohle nepomůže a modul zase odejde, tak ještě zkusím dá 6A diodu do napájení ventilátorů. Pokud ani toto nepomůže (dalších 5 modulů mi přijde z Ebay až za měsíc) tak už fakticky nevím a půjdu cestou (jak mi tu někdo z vás nabízel a koupím to od něj) dvojího napájení.
Moc děkuji úplně všem. Mám ještě jeden problém s čerpadlem a spínacím relátkem, ale na to otevřu nový dotaz.
Děkuji, Michal
Jestli na to spěcháš (dodací lhůta Čína cca měsíc) a zvolil-li by jsi mnou navržené, tak mi v poště napiš mejl a adresu a já ti ten zdrojík 230VAC/12VDC 450 mA pošlu v obálce za těch 25,- + poštovné. Mám jich pár "do foroty".
Nějak už jsem se v tom zamotal komu, co píšu, ale bral bych to......jenže 450mA zdroj je na mě moc málo... potřebuje nejméně 400W
Moc Ti skutečně děkuji....nemám na to být "odpalovačem modulů" a pevně věřím že i čínský výrobce není tak blbej, aby diodu k relé nepřidal.....Takže zkusím dvě varianty (obě najednou) Jak říkáš dám antiparalelní KY v závěrném směru k ventilátorům (KY 100V/ 1A - mám jich hafo) a na víc dám do napájení modulu 7812. Jediné, co nevím, jak moc jsou tam nutné blokovací koďany 0.33 a 0.1 M na výstupu, jak to všude uvádějí, ale raděj je tam dám. Michal
Aha, už to chňápu a bral bych hned 2ks, jenže jsem nepochopul z obrázků, kam se připojuje 220V??? Ale bylo by to asi super řešení!!!!!! jenže jak to už do té krabičky nacpat....tím myslím pomocí konektorů....samozřejmě časem budou zdroje hozené pod lavicí bez krytí aby se nehřály v krabičce, jenže to bych musel napájecí konektor vyměnit za něký 4 pólový a to nevím jaký. Tak když to nepůjde jinak, tak přistoupím na tuhle variantu. 450mA mi bohatě stačí
220 V se připojuje na ten malý tišťáček přiletováním vodičů. Rovněž tak vývod těch 12V. A když jsem se tak koukal na ten tvůj zdroj 12V/400W, tak by se možná dal "vecpat" i pod kryt tohoto zdroje a 220V do něj napojit z přívodu toho většího zdroje. Pak z něj, mimo těch "silových" 12 V pro ventilátory, společným (nebo samostatným) kablíkem, do tvé krabičky s relátkem, táhnout 12V silových pro ventilátory a 12 V ovládacích pro relé.
), tak jde o větrání z důvodu kouření, ne?

To ber jako vtip, ale možná i jako nejlepší radu.
A pokud jsem, ze čtvrtého obrázku pochopil (krabičky dutinek
Tak přestaň kouřit a nemusíš nic řešit
Dobrý den…dobří lidé, moc a moc Vám všem děkuji za užitečné rady. Už jsem sestavil ochranu modulu s 7812 (i s kondenzátory) a proměřil. Bohužel na mém laboratorním můžu nastavit max 16V, ale i 16V mi to stále drží 12,1V (bez zátěže) Na výstupu. Ve středu nebo ve čtvrtek mi přijdou první dva nové moduly. Mám to připravené tak, že to jen přišroubuji do svorek a na výstup k ventilátorům už mám připravenou paralelní KY 1000V/ 1A. Jestli ani tohle nepomůže a modul zase odejde, tak ještě zkusím dá 6A diodu do napájení ventilátorů. Pokud ani toto nepomůže (dalších 5 modulů mi přijde z Ebay až za měsíc) tak už fakticky nevím a půjdu cestou (jak mi tu někdo z vás nabízel a koupím to od něj) dvojího napájení.
Moc děkuji úplně všem. Mám ještě jeden problém s čerpadlem a spínacím relátkem, ale na to otevřu nový dotaz.
Děkuji, Michal
P.S. Ano, máš naprostou pravdu. To by bylo nejjednoduší řešení, ale po 40letech týrí jsou moje nervy na s....... a tudíž to nezvládnu
Moc Děkuji…..zenerky jsem zatím nehledal a nejsem si jistý, že bych správně spíčítal předřadný odpor, protože modul odebírá podstatně míň když zpožďuje a pak mnohem víc, když přitáhne relé. Už to řeším s 7812 a už tu mám připravené i blokovací koďany 0,33 a 0,1 . Zároveň dám do modulu i paralelně k cívce, ale to mi přijde už jako blbost. Výrobce to musí vědět a spínací tranzistor tak musí chránit. Bohužel v modulu jsou jen plošné součástky, tak se v tom nedá moc vyznat!!!!. Jestli tohle vše nepomůže (v úterý mi přijdou nové dva moduly……a z Ebay 5ks až za měsíc) tak dám ještě KY 6A do výstupu pro ventilátory. M.
P.S. ještě jednou moc díky.....tohle mě fakt nenapadlo s tou diodou na výstupu, to určitě zkusím!!!!!! Díky
Používám stejný modul pro zhruba stejnou funkci, pouze pro připojení předřadného odporu pro ventil na 230V, který napájím přes můstek napětím DC, aby nebrnčel a pro sepnutí dávám plné napětí a pak předřaďák. A modul funguje v závislosti na spínání elektronickým termostatem X x za den a stále bez problémů. Tvůj problém je v tom, že používáš pro napájení toho relé shodný zdroj napětí jako pro napájení těch vencků. Podle mne je jednodušší a spolehlivější řešení napájet to časovací relé samostatným spínaným zdrojem (stačí cca 500 mA) který dostaneš koupit na Alíku za cca 25,- kaček. Čímž oddělíš špičky při spouštění ventilátorů od napájení relé. A ten zdrojík je tak maličký, že jej tam někde určitě dostaneš.
https://www.aliexpress.com/item/33012749903.html?spm=a2g0s.9042311.0.0.27424c4d4AGJpK
U toho časového relé ta antiparalelní dioda přes cívku, pokud si dobře pamatuji, je. Zde problém podle mne není. Spíše odchází mosfet v IO 555 vlivem špičky v napájení při spuštění ventilátorů. Nešpekuluj nad nějakým omezením a udělej to jak píši a bude po problému.
Kousek výš jsem napsal příspěvek a já bych napřed zkusil tu antiparalelní diodu k ventilátorům.
O možné napěťové špičce ze zdroje jsem se také zmínil, ale je to málo pravděpodobné, to výrobce zdroje by měl mít ošetřené, jinak by mohlo docházet k poruchám více zařízení tím napájených.
Ale ventilátory, jako každá indukčnost, při vypnutí vygenerují nějakou špičku. Podobně jako cívka relé.
Navíc indukční špička má opačnou polaritu a to by mohlo int. obvod poškodit spíš, jak přepětí. Proto bych zkusil obdobně jako u relé, použít diodu k zachycení opačné polarity indukce. Je to pokus na pár vteřin.
A nekupoval bych zásobu modulů na pokusy, ale pár 555 na výměnu.
Co se týče té výměny 555 nebo celého relé, tak to relé je na Alíku (tuším) za cca 70,- Kč a u nás dáš za 555 skoro totéž (mám dojem kolem 50,- Kč). Střílím to sice "od boku", ale je to zhruba tak.
A když si vezmeš ještě tu drbačku s přepájením 555, tak to ani nestojí za to.
Jinak pokud to udělá jak jsem mu psal, tek ho to vyjde na 25,- Kč a bude mít pokoj.
Moc Ti skutečně děkuji....nemám na to být "odpalovačem modulů" a pevně věřím že i čínský výrobce není tak blbej, aby diodu k relé nepřidal.....Takže zkusím dvě varianty (obě najednou) Jak říkáš dám antiparalelní KY v závěrném směru k ventilátorům (KY 100V/ 1A - mám jich hafo) a na víc dám do napájení modulu 7812. Jediné, co nevím, jak moc jsou tam nutné blokovací koďany 0.33 a 0.1 M na výstupu, jak to všude uvádějí, ale raděj je tam dám. Michal
Moc Děkuji…..zenerky jsem zatím nehledal a nejsem si jistý, že bych správně spíčítal předřadný odpor, protože modul odebírá podstatně míň když zpožďuje a pak mnohem víc, když přitáhne relé. Už to řeším s 7812 a už tu mám připravené i blokovací koďany 0,33 a 0,1 . Zároveň dám do modulu i paralelně k cívce, ale to mi přijde už jako blbost. Výrobce to musí vědět a spínací tranzistor tak musí chránit. Bohužel v modulu jsou jen plošné součástky, tak se v tom nedá moc vyznat!!!!. Jestli tohle vše nepomůže (v úterý mi přijdou nové dva moduly……a z Ebay 5ks až za měsíc) tak dám ještě KY 6A do výstupu pro ventilátory. M.
P.S. Do modulu fakt moc bastlit nejde a je už desítky let známo, že k cívce relé se musí dát dioda, ale zkusím jí dát i na výstup (v závěrném směru) proti mínus. Moc díky....posychruji to hned 2x než přidám diodu v propustném směru na výstup pro ventilátory (protože ta mi ubere napětí cca 0.8V)
Moc díky
Pokud máš napájení ze zdroje 12V nemůžeš použít 7812, u něj musí být vstupní napětí minimálně o 2V vyšší než výstupní.
Zkus použít 7809 nebo LM317 a nastavit cca10V, zpožďovací modul s relé to zvládne.
Taky dobrá rada.....moc děkuji