5 kolíková zásuvka má: 3 fáze pracovní nulu ochranný vodič (uzemnění)
4 kolíková 3 fáze ochranný vodič (uzemnění)
Tedy stačí vynechat pracovní nulu a je to vyřešené.
Opačně to pochopitelně nejde, pracovní nula by mohla chybět (a ochranný vodič se tak použít nesmí i když ve většině instalací je to totéž).
Jde to oběma směry a také se to vyrábí. V případě ze čtyřkolíku (TN-C) na pětikolík, je to obdoba jako je zapojená jednofázová zásuvka. V redukci se rozdělí PEN na PE a N. V případě z pětikolíku na čtyřkolík se zapojí jen ochranná nula a pracovní vynechá. Ale v tomto případě se nesmí použít ochraná nula jako pracovní, v případě chrániče by vypadl. V naprostém množství případů to nevadí, protože pracovní nula není potřeba. Například všechny spotřebiče s třífázovým motorem, svářečky s 400V napájením a podobně. Jen nelze připojit například tepelné spotřebiče (sporák),kde se využívá i prac. nulák. Ale to se takhle nepřipojuje. V případě potřeby připojit něco,kde je pracovní nula potřeba, není důvod takovou redukci používat a spotřebič se připojí pětikolíkem. Snad jediný případ, který mě napadá je svářečka KSN-100. Ta už se téměř nevyskytuje. Tam byla jakási výjimka, že měla čtyřkolíkovou vidlici (určeno do sítě TN-C), a využívala 2x 400V plus nulák, který byl vytvořen jako pracovní uvnitř stroje. Tedy zelenožlutý vodič v kabelu byl současně pracovní i ochranný. V případě přerušení tohoto vodiče byla fáze přes vinutí přímo na kostře. Takovou svářečku by samozřejmě do redukce 5 na 4 kolík připojit nešlo.
...Ale v tomto případě se nesmí použít ochraná nula jako pracovní, v případě chrániče by vypadl. V naprostém množství případů to nevadí, protože pracovní nula není potřeba. Například všechny spotřebiče s třífázovým motorem,...
Já bych to až tak určitě netvrdil. Například zapojení třífázového motoru s elektronickou brzdou - ta tam je, pokud je potřeba, aby se motor a poháněné zařízení zastavilo okamžitě po vypnutí napájení, tam je ta pracovní nula nutná.
To máš pravdu. Proto jsem psal ve většině případů. Měl jsem na mysli cirkulárky, míchačky, různé dopravníky, šroťáky a podobně, kde je zapojen jen třífázový motor bez dalších zařízení, vyžadující pracovní nulu. Zařízení, kde je mimo tři fáze potřebná i pracovní nula, je připojení přes čtyřkolíkovou vidlici (do zásuvky TN-C), i tak problematické. V tom případě je možné jen zapojení podobné jako jsem popsal u té svářečky KSN100. To je asi už podle současných norem nepřípustné a tam kde je k dispozici pětikolíková zásuvka tak přes redukci na čtyřkolík nesmyslné. Jinak co se týče motorů s brzdou, existují takové, kde je brzda na hřídeli motoru a přítlak na brzdný segment je silným permanentním magnetem. Ten je za chodu motoru odmagnetován cívkou napájenou 400V z napájení motoru. Po přerušení napájení magnet opět zabrzdí. Tedy redukci na čtyřkolík lze v mnoha případěch použít.
...Tedy redukci na čtyřkolík lze v mnoha případech použít.
Ano, v mnoha případech. Odborník ví, ve kterých případech, laik, když to přečte, zajásá, že to jde, připojí si tak cirkulárku a třeba tím vyřadí nějaký bezpečnostní obvod. Odborník se na to na poradnách neptá.
Nejsem elektrikář a proto se zeptám. K trafostanici (22kV) vedou tři fáze a žádný další drát, u ní se vytvoří zemnící vodič a do baráku mi přivedou čtyři dráty, které postačovaly víc jak 80 let. Dokonce při průřezu vodičů nad 10 mm2 stačí pořád 4 vodiče a najednou je potřeba 5 drátů. Kam je ten pátý drát připojen když do domu mi jdou 4 dráty. Když jsem chtěl na elektrikáři to zařízení aby mě nezabil fén spadlý do vany tak mi řek "buď v klidu" máš rozvod po baráku jen dvěma dráty a tak to nejde.
Já jsem se nezabýval rozvodnými soustavami, tak jsem se to před přezkoušením jakžtakž naučil a pak zase do dalšího přezkoušení zapomněl. Ale když se obracíš na mne,tak se ti to pokusím aspoň nějak vysvětlit. Přezkoušení jsem měl jen do 1000V, tak se nezabývám, jak je to na kilovoltech. Obvykle se setkáváme s třífázovým rozvodem a středním vodičem který je přizemněný - to je ten čárkovaný zelený. Když ti jde do bytu, třeba jen jedna fáze a střední vodič, buď máš rozvod TN-C (asi ten tvůj, když ti elektrikář povídal, že tem máš jen dva dráty, C je common, tj střední a ochranný vodič je společný) nebo TN-S (S je separate když jsi připojený k rozvodu, tak se ti ten společný vodič rozdělí na dva, to je oč tu běží). Oba druhy rozvodů mají své výhody a nevýhody. V každém případě ti nedoporučuji brát si do vany cokoliv připojeného do elektrické zásuvky (a pokud ti manželka něco takového do vany podává, asi máš dobrou životní pojistku. Sice jsou ochranné systémy co by tě snad měly ochránit, ale všechno může selhat. Ta písmena TN značí, že v trafostanici (nebo v generátoru, pokud ten generátor dává 3x400V) je střední vodič uzemněný. Existují i rozvody co uzemněné nejsou, údajně takové mají v Rusku a proto se nedoporučuje tam kupovat nějaké elektrické vercajky, že by to třeba s uživatelem co to strčí do zásuvky u nás mohlo špatně skončit. Pokud se tu vyskytne elektrikář co se tím živí, určitě ti to vysvětlí lépe.
Yarda to popsal v podstatě správně. Jen se pokusím ještě, pokud si vzpomenu, ještě upřesnit některé výrazy. Od elektrárny vede vysokonapěťové vedení, se třemi fázovými vodiči. Je to v soustavě IT, což je "izolation terra-- izolovaná zem. Nulový vodič se nevede. Pak následuje distribuční transformátor, kde se transformuje na 400/230V. Sekundární vinutí je zapojeno do hvězdy. Vývody jsou tři fáze a uzel trafa, jinak střed, nebo nula. Tento uzel se uzemní. Tím vznikne soustava TN-C. "terra neutral (null) couple" (asi tak) - Uzemněný střední společný. Dále se vedou tedy čtyři vodiče, tři fáze a uzemněný střední (nulový) vodič. Ten se nazývá PEN "protective earth neutral" -- Ochranný uzemněný střední vodič. Tak se to přivede do domu. V přípojné skříni se střední vodič ještě uzemní. Ve starších instalacích se tato TN-C soustava používá dál beze změny. Tedy k třífázovým zásuvkám vedou čtyři vodiče a PEN, tedy společný ochranný a střední (nulový) vodič. K jednofázovým zásuvkám jedna fáze a PEN. V zásuvce se ale rozdělí na kolík (ochranný) a pracovní zdířku. V nových instalacích se ale dnes používá soustava TN-S "terra neutral separé" - Zemní, střední, oddělené. V přípojné skříni, se rozdělí společný PEN na dva vodiče, jeden je PE "protective earth" a N, neutral, střední (pracovní) vodič. PE se dále značí žlutozelenou barvou, ale střední vodič světle modrou. Platí zásada, že po rozdělení PEN na PE a N, se spolu už nikde nesmí spojit. V této soustavě je stále zachována ochrana nulováním (spojením kostry s PE), ale je možno (a dělá se to). ochranu zvýšit použitím proudového chrániče. -- Pokud jsem někde udělal chybu, tak mě omluvte a opravte. Přeci jenom skleroza pokračuje a zejména cizí výrazy páčím z nejzažších zásuvek zašlé paměti.
Díky za vysvětlení. Když jsem si dělal připojení do stodoly tak mi elektrikář říkal, že pokud tam dám kabel o průřezu 10 mm2 a větším tak mi stačí 4 žíly a když tam dám menší průřez tak musím dát 5 žilový kabel.
Sice směřuješ dotaz na Zera, ale odpovím. Co ti tvrdil ten "elektrikář" je nesmysl. Průřez vodičů na to nemá zásadně vliv. Základ je v tom, co už Ti popsali podrobně Yarda a Zero. Pokud je zdroj připojení (objekt) v soustavě TN-C, pak by bylo možno (diskutabilně a v rozporu s nynějšími normami) použít 4 žilový, (což bylo dříve běžné, s odvoláním na starší systém), jako v původní el. instalaci. Ale žádný revizák by to již neschválil. Osobně bych to již rovněž jednoznačně nedoporučoval a přívod bych provedl, i v tomto případě, již v systému TN-S, tedy 5-ti žilovým kabelem a dokonce i s instalovaným 3 fáz. chráničem 30mA, osazeným na vývodu do té stodoly. Cenově by to nebylo o moc dražší a bezpečnost podstatně vyšší. V případě, že by zdroj napojení (objekt) byl již v soustavě TN-S, pak už je možno použít pouze kabel 5-ti žilový a opět osadit chránič 30 mA, na vývodu z napájecího objektu. 4-žilové kabely a vodiče jsou povoleny již pouze v rozvodných distribučních sítích, což se domovních a bytových instalací netýká.
A otázka?
redukcia z 5kolikovej na 4kolikovu
https://cdn.4nets.sk/40680118_600.jpg
Čtyřkolík na pětikolík asi lze, obráceně je to zakázáno.
Koupit takovou redukci https://www.elektrohadrava.cz/index.php?c=11.2.9&ec=SEZA1653-43
Nelze pak použít nulový kontakt jako pracovní. Jen jako ochranný.
5 kolíková zásuvka má:
3 fáze
pracovní nulu
ochranný vodič (uzemnění)
4 kolíková
3 fáze
ochranný vodič (uzemnění)
Tedy stačí vynechat pracovní nulu a je to vyřešené.
Opačně to pochopitelně nejde, pracovní nula by mohla chybět (a ochranný vodič se tak použít nesmí i když ve většině instalací je to totéž).
Jde to oběma směry a také se to vyrábí. V případě ze čtyřkolíku (TN-C) na pětikolík, je to obdoba jako je zapojená jednofázová zásuvka. V redukci se rozdělí PEN na PE a N.
V případě z pětikolíku na čtyřkolík se zapojí jen ochranná nula a pracovní vynechá.
Ale v tomto případě se nesmí použít ochraná nula jako pracovní, v případě chrániče by vypadl.
V naprostém množství případů to nevadí, protože pracovní nula není potřeba. Například všechny spotřebiče s třífázovým motorem, svářečky s 400V napájením a podobně.
Jen nelze připojit například tepelné spotřebiče (sporák),kde se využívá i prac. nulák. Ale to se takhle nepřipojuje.
V případě potřeby připojit něco,kde je pracovní nula potřeba, není důvod takovou redukci používat a spotřebič se připojí pětikolíkem.
Snad jediný případ, který mě napadá je svářečka KSN-100. Ta už se téměř nevyskytuje. Tam byla jakási výjimka, že měla čtyřkolíkovou vidlici (určeno do sítě TN-C), a využívala 2x 400V plus nulák, který byl vytvořen jako pracovní uvnitř stroje. Tedy zelenožlutý vodič v kabelu byl současně pracovní i ochranný. V případě přerušení tohoto vodiče byla fáze přes vinutí přímo na kostře.
Takovou svářečku by samozřejmě do redukce 5 na 4 kolík připojit nešlo.
Já bych to až tak určitě netvrdil. Například zapojení třífázového motoru s elektronickou brzdou - ta tam je, pokud je potřeba, aby se motor a poháněné zařízení zastavilo okamžitě po vypnutí napájení, tam je ta pracovní nula nutná.
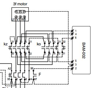
![[89165-bam-jpg]](https://kutilska.poradna.net/files/89165-bam-jpg)
To máš pravdu. Proto jsem psal ve většině případů. Měl jsem na mysli cirkulárky, míchačky, různé dopravníky, šroťáky a podobně, kde je zapojen jen třífázový motor bez dalších zařízení, vyžadující pracovní nulu.
Zařízení, kde je mimo tři fáze potřebná i pracovní nula, je připojení přes čtyřkolíkovou vidlici (do zásuvky TN-C), i tak problematické. V tom případě je možné jen zapojení podobné jako jsem popsal u té svářečky KSN100. To je asi už podle současných norem nepřípustné a tam kde je k dispozici pětikolíková zásuvka tak přes redukci na čtyřkolík nesmyslné.
Jinak co se týče motorů s brzdou, existují takové, kde je brzda na hřídeli motoru a přítlak na brzdný segment je silným permanentním magnetem. Ten je za chodu motoru odmagnetován cívkou napájenou 400V z napájení motoru. Po přerušení napájení magnet opět zabrzdí.
Tedy redukci na čtyřkolík lze v mnoha případěch použít.
Ano, v mnoha případech. Odborník ví, ve kterých případech, laik, když to přečte, zajásá, že to jde, připojí si tak cirkulárku a třeba tím vyřadí nějaký bezpečnostní obvod.
Odborník se na to na poradnách neptá.
Nejsem elektrikář a proto se zeptám. K trafostanici (22kV) vedou tři fáze a žádný další drát, u ní se vytvoří zemnící vodič a do baráku mi přivedou čtyři dráty, které postačovaly víc jak 80 let. Dokonce při průřezu vodičů nad 10 mm2 stačí pořád 4 vodiče a najednou je potřeba 5 drátů. Kam je ten pátý drát připojen když do domu mi jdou 4 dráty. Když jsem chtěl na elektrikáři to zařízení aby mě nezabil fén spadlý do vany tak mi řek "buď v klidu" máš rozvod po baráku jen dvěma dráty a tak to nejde.
Já jsem se nezabýval rozvodnými soustavami, tak jsem se to před přezkoušením jakžtakž naučil a pak zase do dalšího přezkoušení zapomněl. Ale když se obracíš na mne,tak se ti to pokusím aspoň nějak vysvětlit. Přezkoušení jsem měl jen do 1000V, tak se nezabývám, jak je to na kilovoltech.
. Sice jsou ochranné systémy co by tě snad měly ochránit, ale všechno může selhat.
![[1_10.jpg]](https://publi.cz/books/260/images/pics/1_10.jpg)
Obvykle se setkáváme s třífázovým rozvodem a středním vodičem který je přizemněný - to je ten čárkovaný zelený. Když ti jde do bytu, třeba jen jedna fáze a střední vodič, buď máš rozvod TN-C (asi ten tvůj, když ti elektrikář povídal, že tem máš jen dva dráty, C je common, tj střední a ochranný vodič je společný) nebo TN-S (S je separate když jsi připojený k rozvodu, tak se ti ten společný vodič rozdělí na dva, to je oč tu běží). Oba druhy rozvodů mají své výhody a nevýhody.
V každém případě ti nedoporučuji brát si do vany cokoliv připojeného do elektrické zásuvky (a pokud ti manželka něco takového do vany podává, asi máš dobrou životní pojistku
Ta písmena TN značí, že v trafostanici (nebo v generátoru, pokud ten generátor dává 3x400V) je střední vodič uzemněný. Existují i rozvody co uzemněné nejsou, údajně takové mají v Rusku a proto se nedoporučuje tam kupovat nějaké elektrické vercajky, že by to třeba s uživatelem co to strčí do zásuvky u nás mohlo špatně skončit.
Pokud se tu vyskytne elektrikář co se tím živí, určitě ti to vysvětlí lépe.
Yarda to popsal v podstatě správně. Jen se pokusím ještě, pokud si vzpomenu, ještě upřesnit některé výrazy.

Od elektrárny vede vysokonapěťové vedení, se třemi fázovými vodiči. Je to v soustavě IT, což je "izolation terra-- izolovaná zem. Nulový vodič se nevede.
Pak následuje distribuční transformátor, kde se transformuje na 400/230V. Sekundární vinutí je zapojeno do hvězdy. Vývody jsou tři fáze a uzel trafa, jinak střed, nebo nula.
Tento uzel se uzemní. Tím vznikne soustava TN-C. "terra neutral (null) couple" (asi tak) - Uzemněný střední společný.
Dále se vedou tedy čtyři vodiče, tři fáze a uzemněný střední (nulový) vodič. Ten se nazývá PEN "protective earth neutral" -- Ochranný uzemněný střední vodič.
Tak se to přivede do domu. V přípojné skříni se střední vodič ještě uzemní.
Ve starších instalacích se tato TN-C soustava používá dál beze změny. Tedy k třífázovým zásuvkám vedou čtyři vodiče a PEN, tedy společný ochranný a střední (nulový) vodič. K jednofázovým zásuvkám jedna fáze a PEN. V zásuvce se ale rozdělí na kolík (ochranný) a pracovní zdířku.
V nových instalacích se ale dnes používá soustava TN-S "terra neutral separé" - Zemní, střední, oddělené.
V přípojné skříni, se rozdělí společný PEN na dva vodiče, jeden je PE "protective earth" a N, neutral, střední (pracovní) vodič. PE se dále značí žlutozelenou barvou, ale střední vodič světle modrou.
Platí zásada, že po rozdělení PEN na PE a N, se spolu už nikde nesmí spojit.
V této soustavě je stále zachována ochrana nulováním (spojením kostry s PE), ale je možno (a dělá se to). ochranu zvýšit použitím proudového chrániče.
-- Pokud jsem někde udělal chybu, tak mě omluvte a opravte. Přeci jenom skleroza pokračuje a zejména cizí výrazy páčím z nejzažších zásuvek zašlé paměti.
Díky za vysvětlení. Když jsem si dělal připojení do stodoly tak mi elektrikář říkal, že pokud tam dám kabel o průřezu 10 mm2 a větším tak mi stačí 4 žíly a když tam dám menší průřez tak musím dát 5 žilový kabel.
Sice směřuješ dotaz na Zera, ale odpovím. Co ti tvrdil ten "elektrikář" je nesmysl. Průřez vodičů na to nemá zásadně vliv. Základ je v tom, co už Ti popsali podrobně Yarda a Zero. Pokud je zdroj připojení (objekt) v soustavě TN-C, pak by bylo možno (diskutabilně a v rozporu s nynějšími normami) použít 4 žilový, (což bylo dříve běžné, s odvoláním na starší systém), jako v původní el. instalaci.
Ale žádný revizák by to již neschválil. Osobně bych to již rovněž jednoznačně nedoporučoval a přívod bych provedl, i v tomto případě, již v systému TN-S, tedy 5-ti žilovým kabelem a dokonce i s instalovaným 3 fáz. chráničem 30mA, osazeným na vývodu do té stodoly. Cenově by to nebylo o moc dražší a bezpečnost podstatně vyšší.
V případě, že by zdroj napojení (objekt) byl již v soustavě TN-S, pak už je možno použít pouze kabel 5-ti žilový a opět osadit chránič 30 mA, na vývodu z napájecího objektu.
4-žilové kabely a vodiče jsou povoleny již pouze v rozvodných distribučních sítích, což se domovních a bytových instalací netýká.