
Alternátor nedobíjí
Zdravim, koupil jsem doma dělaný malotraktor s motorem ze S1203 a alternátorem z favorita. Již brzy jsme zjistili že nedobíjí. Kontrolka ovšem funguje, vždy znasne po nastartování a dobrý. Nabitá baterie měla před nastrartování 12.36 a po nastartování to jen po setinách ubývalo, takže to žerou svíčky a altík nedobíjí. Koupil jsem tedy nové relé vyměnil ho a nic, no dneska už je tam 3 alternátor a stále nic. Ten poslední alternátor donedávna jezdil. Zkoušel jsem ještě ukostřit B- ale je to stejný jako kdybych to neukostřil. Nevíte někdo co s tím?
baterie jen 12,36 V vykazuje že už je ve zkratu,zasulfatovaná a to je zřejmě váš problém.pokud nastane tato situac e tak dochází k samovolnému vybíjení a baterie není schopna dosáhnot plné hodnoty na kterou by měla mít.Usuzuji z toho že tvrdíte že už jste použil několik alt. a kontrolka vykazuje nabíjení.Pokud by závada byla v alérnátoru např proražená dioda ,opotřebené uhlíky tak by se to projevilo na té kontrolce nabíjení.pi chuu nevaří se baterie?pokud ano tak je největší pravděpodobnost závady v baterii.
Baterie nevari, a kdyz jsem meril jestli altik dava tak jsem to meril primo na nem, baterie by to mela snest ne,kdyz jsem zkousel nabijet tak kdyz jsem meril pripojenou tak mela i 14
Zkuste baterii tedy nabít mimo vozidlo na plnou kapacitu a mimo vozidlo sledujte úbytek napětí na článek.Ono dnes se to dá poměrně složitě diagnostikovat když nelze jednotlivé články zatížit měřením předřazeným odporem.Pokud to není baterie bezúdržbová tak měřte hustotu elektrolitu po nabití.Pokud to bude mít méně jak 28 b tak je problém baterka.A ještě dodám že pokud se baterie nabíjí moderníma chytrýma nabiječkama tak ona poškozený nebo zkratovaný článek vyhodnotí jako plně nabitý a přestane nabíjet.U starých typů nabíječek se dalo nabíjet malým proudem podstatně dlouhou dobu a někdy se podařil sulfatovaný článek obnovit.pokud jste přesvědčen že je baterka v cajku tak nechte prověřit alternátor v servisu na diagnostické stolici.Ještě dodám pokud je baterie starší jak 4 roky tak pokud není bezúdržbová tak už má nejlepší časy za sebou.Nové baterie mají životnost až o sto proc. vyšší cca 8 až někdy 10 let.Ale to už je vyjímečný případ.
Hoši tak jsem na to přišel, bylo to v zapojení, predchozi majitel zapojil kontrolku jen k alternatoru ale uz ne k bosarne, ted je tu ale problem cislo 2. Traktor dobiji ale zase se pres noc vybil. Na bosarne jsem ho pripojil ke 2 kabelum napajenym z baterky, tak dobry to byla blbost, pripojil jsem ho tedy ke druhe svorkovnici kde jsou ostatni kabely. Traktor dobiji ale nejde chcipnout. Mam to zkusit pripojit na tu 3 svorkovnici kdyz na ni nic neni? Jinak diky moc za pomoc :)
Dej tam jinou baterku a uvidíš.
Výměna alternátoru, výměna relé, výměna baterky, kontrolka zhasíná... - a víte jistě, že víte, co děláte?
Pžedpokládám, že uvedené napětí jste naměřil na baterii při chodu motoru = ano, soustava nedobíjí.
Jsou alternátory, které mají relé již v sobě - Pak stačí připojit baterii a kontrolku a funguje to.
- Podstatné je, že spojení baterie/alternátor, včetně kostry, musí být spolehlivé, protože při odpojení baterie od alternátoru při chodu motoru dojde ke spálení diod uvnitř altíku přepětím. ( Z toho důvodu doporučuji použití dynama - můžete fungovat i bez baterie).
Ani relé nelze použít libovolné - mají rozdílná zapojení i rozdílný výkon a napětí. Musí být v souladu s alternátorem.
Tak píše že má alternátor z fáčka, ten má regulátor v sobě. Pokud mu zhasíná kontrolka, měl by dobíjet. Ale podle tazatele tomu tak není. Kdyby nebyl ukostřen, kontrolka by nesvítila, kdyby měl vadnou diodu, nezhasínala by zcela, mžourala by. Bude to nějaká maličkost, radit na dálku bez možnosti to vidět je těžké.
Konečně někdo kdo mi porozuměl :) děkuji, jak píšete, přesně tak zkoušel jsem zvlášť ukostřit i altík B- a i bez toho ukostření (v autě to také není ukostřený zvlášť, kostří přeci sám o sobě plášť toho alternátoru o další součástky
snad jen mě napadá jak je zapojená ta kontrolka, protože já jí mám od altíku přímo ke kontrolce, nemá být nějak přes bošárnu?....jen mě to napadlo, má to na to vliv?
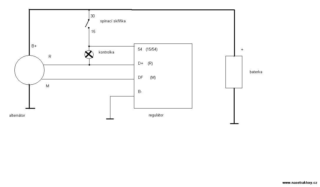
Kontrolka je zapojena mezi spínací skříňku a svorku D+ na alternátoru.
Tak jsem zkoušel další 2 baterky funkční a stejně nedobíjí, když měřím na bterce tak je to stejně uplne stejnny jako přímo na alternátoru, přes 12.40 se nedostnu, takže baterkou to není. Jo a tenhle altík má to relé přímo na sobě drží na 2 šroubcích
ještě mě napadlo netočí se to obráceně?
1.) V alternátoru jsou uhlíky (většinou dva) nejsou oddřené až na kost ? Zkontroluj to.
2.) Nevím jak to má alternátor z favorita, ale alternátor z Avie má na sobě cosi zalitého (právě z toho vedou uhlíky) - někde na netu jsem našel, že v tom je nějaká elektronika, která řídí výstupní napětí, i to může být v háji.
3.) Točí se správným směrem ?
1. On vyměnil regulátor, takže i uhlíky.
2. Ano, to je regulátor napětí.
3. Alternátor vyrábí proud, i když se točí na druhou stranu, jen teda jeho větrák v tu chvíli nechladí. V osobních Tatrách měly alternátory levoběžný ventilátor. On ho má ale na motoru ze Š1203 uchycený normálně, řekl bych...