

Zapojení motoru [hvězda - trojúhelník]
Zdravím, dnes jsem se setkal s takovou drobností, která mě poněkud zaskočila. I přestože jsem toto zapojení již několikrát dělal, tak mě to dnes u zkoušek poněkud zarazilo (když mě na to kolega upozornil). Schéma pro toto zapojení jsem sice znal, ale proto, že se jednalo o státní zkoušku, tak vše zkoumal tak pečlivě, až jsem se do toho zamotal a ztratil jsem drahocenný čas.
Co mě tedy zarazilo:
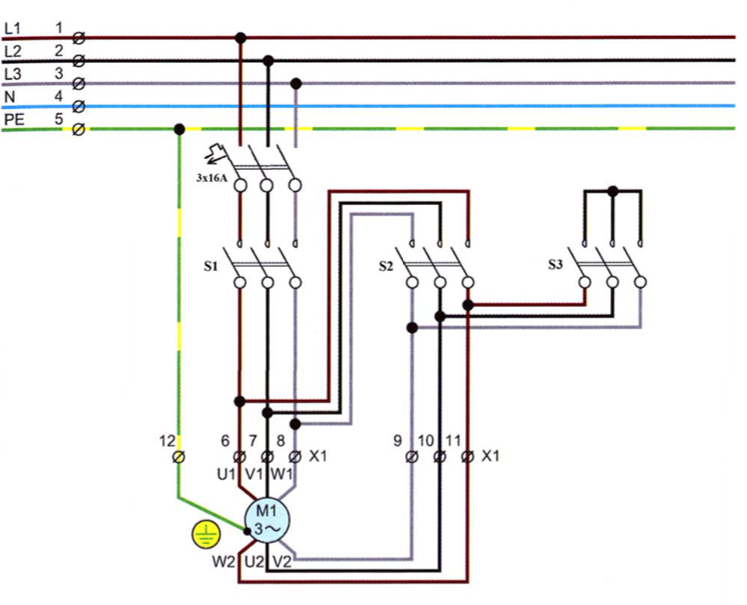
Toto je schéma zapojení silové části "hvězda - trojúhelník"
a takto je propojena (vnitřně) statorová svorkovnice motoru včetně naznačeného připojení fází dle schématu
Když si povšimnete, tak při sepnutí do trojúhelníku je na U1 fáze L1, ale na U2 je fáze L2, to samé je na V1 je fáze L2, ale na V2 je fáze L3 no a na W1 je fáze L3, ale na W2 je fáze L1.
A proto, že to byla právě důležilá zkouška a já byl poněkud nervózní, tak jsem se zděsil nad tím, že schéma, které jsem vytvořil (ale které bylo správně) by způsobilo několikanásobný zkrat a roztančení motoru.
Ale i teď když se na to znovu koukám, tak vidím, že se ty fáze opravdu setkávají. Já bych to sice měl znát, ale musel jsem se na zpaměť naučit tolik schémat, že už mi to splývá. Byl by tedy někdo tak hodný a vysvětlil mi to? děkuji 
jestli už taky neblbnu, tak je to správně
pro lepší představu motoru v trojúhelníku (bez přepínače by byly kontakty svisle propojeny - W2+U1 atd.)
Jinak co se ti asi nelíbí, aspoň sem to tak pochopil z tvého vysvětlení, když bys měl na U1 a U2 stejnou fázi, tak přeci na cívce nebudeš mít napětí, nepoteče skrz proud atd...
Jo aha, takže na cívce má být sdružené napětí?
Jak bys tam chtěl dostat jiný, když do motoru nevedeš PEN či N? Vždy tam bude na svorkách sdružené napětí 400V, ale právě v trojúh. a hvězdě jinak. Rozdíl mezi trojúhelníkem a hvězdou je ten, že v trojúhelníku máš plné napětí na každé cívce, kdežto ve hvězdě se mezi cívky rozdělí (proti středu bys naměřil právě oněch 230V - fázové napětí), proto má motor zapojený do hvězdy menší výkon.
Co, že jsi to dělal za státní zkoušku? Už totiž začínám chápat, proč se učíš schémata zpaměti, jenže ty musíš umět vymýšlet...
Ježíš Tyvoe, elektrikáři! Co je na tom divnýho? Že jsou cívky tohoto motoru navinuty na sdružené napětí a PŘI ROZBĚHU (Y) mají tedy napětí "poloviční", protože jsou dvě "do série" (120°) a PŘI BĚHU tedy "to správné", tedy sdružené? Co je to proboha za státní zkoušku, (za školu) kde se "musíš naučit schemata z paměti", abys uspěl?!![]:)](https://static.poradna.net/images/smiley/evilsmile.gif)
Schema si musíš umět vytvořit, vymyslet, je nesmysl se to učit "jako vobrázek". To bys nikdy nic nevymyslel, jenom dokola "aplikoval" něco, co vymyslel někdo jiný i Ty to jen papouškuješ a neposuneš se dál! 
Kua, promiň. Sem se zbytečně na§ral na školství, ne na Tebe
Ještě podotýkám, že nedílnou součástí takovýho zapojení je i údaj o napětí zdroje a elektromotoru, tedy na motoru "D 400V". Z toho totiž vyplývá, že Y = kolik?

Běžně si schéma samozřejmě dávám do kupy sám (zrovna nedávno se mi povedlo docela zajímavé dílo s multifunkčím relé
), ale tady pro mě bylo důležité hlavně to abych zkoušku udělal, takže jsem se raději spoléhal na ověřené postupy 
Jo a zde jsem někde ve svých materiálech vyhledal tuto tabulku:
Nic ve zlém, ale zaseknout se na otázce asi tak z druhýho ročníku
učňovský školy...
Teda v jednu v noci a po několika panácích mi to zas tak moc nemyslí,
tak dofám, že v tom není nějaký chyták. Jestli jo, tak se budu muset
uchýlit stydět se někam do kouta.
Ono je nejlepší si to nakreslit přímo tak, jak se to jmenuje. Tedy trojúhelník - hvězda
![[generator11.gif]](http://elektross.gjn.cz/obrazky/generator11.gif)
Jo a ten nulák tam samozřejmě být nemusí.
Ne N tam ani být nemůže, když se do motoru připojuje PE a to na kostru motoru
Nicméně děkuji všem za objasnění
Hochu, máš v tom trochu guláš. Při zapojení motoru do hvězdy tam obvykle N být nemusí, některé elektromotory ten společný bod ani nemají vyvedený, ale pokud vyvedený je, tak tam to N připojené být může (samozřejmě, pokud se nejedná o nějaký speciální případ). Vím o zapojení s elektronickou brzdou, kdy po vypnutí motoru se do jedné fáze na okamžik pustí usměrněný proud a to by bez N nefungovalo.
ss. určitě ne, ale třífázový obvykle přes tlumivky s obráceným točivým polem - přehodily se dvě fáze, otáčky obvykle hlídalo Alnico, aby se to včas odpojilo.
Dnes obvykle měniče buď rekuperací, nebo do odporníků.
ms - vedle. SS, neboli DC "sycením" magnetického obvodu asynchronního motoru lze brzdit daleko efektivněji, než "zpětným chodem", byť přes tlumivky... Navíc se nemusí hlídat zpětný chod zařízení...
Tohle brzdění se používá třeba tady (str. 17):
http://www.zpa-pecky.cz/editor/image/stranky3_soub ory/n_mon_mtn_cz_dodatek_net.pdf
Tak já jsem zvyklý na klasické brzdění protiproudem u větších pohonů, nebo klasickou mechanickou brzdu u malých motorů, případně rekuperací, nebo klasicky do odporníků.
To elektronické brzdění se používá spíš u menších elektromotorů (do jednotek kW) a dá se v případě potřeby k elektromotoru dát dodatečně - na rozdíl od elektromotoru s elmg brzdou - ten se tak už musí koupit.
"...spíš u menších elektromotorů (do jednotek kW)"
V práci máme několik Y/D spouštěných asynchroňáků s příkonem od 80kW, brzděných DC brzdou, protože mechanická je drahá, opotřebuje se a brzdný účinek nelze dobře regulovat. Frekvenčákem řízené, tedy i brzděné motory obdobných výkonů máme jen tam, kde je třeba měnit provozní otáčky - je to diametrálně dražší a energeticky náročné.
Může být - já jsem diskutoval jen o tom, o čem vím a na čem jsem se podílel, když to bylo zaváděno do výroby.
Tak dnes jsem složil úspěšně také ústní zkoušku spolu s vyhláškou 50/1978 Sb. a jsem tedy ode dnes plně kvalifikovaný elektrikář...