
pwm regulace- nechce běžet
Dobrý den.
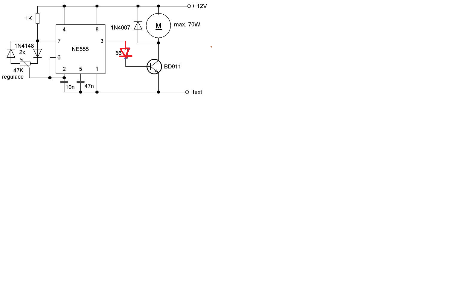
Postavil jsem tenhle pwm regulátor, tranzistor BUZ11 jsem neměl, tak jsem tam dal mosfet IRFPS40N60K, regulace funguje až do doby, kdy otáčky snížím na minimum a potom když chci, už se motor znova neroztočí- jen vrní a mosfet se začne rychle zahřívat. Neví někdo, kde je problém? Díky
http://www.djpeak.cz/elektrotechnika/pwm_regulator /pwm_regulator.htm
Osciloskop asi doma nemáš, takže pro začátek připoj k tomu 556 na vývod č.5 další 10kohm odpor a nízkopříkonovou (2mA) LEDku. Abys viděl, jestli 556 šlape nebo zůstala viset. (Pokud tam máš 555 tak samozřejmě vývod č.3). Odpoj ten kondenzátor 2200uF a místo motoru dej žárovku 12V/5W. Nastav co nejnižší kmitočet, aby bylo vidět, jestli LED i žárovka blikají.
tak jsem připojil ledku a žárovku a při nejnižšim kmitočtu svítí žárovka i ledka slabounce (sotva viditelne) a při zvyšování je světlo silnější
Takze zarovku to reguluje ale proc motor dela problem..
Do série s potenciometrem (50k) je možné vložit malý odpor (tak asi odhadem 1k), aby regulace nešla až do nuly, kdy vypadne i kmitání 555. Je to dobře vidět na osciloskopu.
to jsem zkusil a nepomohlo... mně přijde že to kmitání nevypadne- ten motor vrní furt- to kmitání jde slyšet (to je to vrnění)
tak jsem ještě postavil jinej pwm regulátor s 555kou wmp.htm a uplně ten stejnej problém.. nemůže bejt na vině ten tranzistor? zkoušel jsem tam dát ještě jinej- IRFPG50 a výsledek stejnej..
Zkus zahejbat s kapacitou toho kondiku(spis smerem nahoru). Nektery motory se hadaj s frekvenci toho PWMka, obecne cim vetsi motor tim nizsi frekvenci volit.
to jsem taky zkusil a nic.. zkoušel jsem i jinej motor..
Zkus paralelně ke spínacímu tranzistoru připojit diodu v závěrném směru. Tedy v závěrném směru vůči napájecímu napětí.
možná se nechce tomu budícímu tranzistoru vracet k nule. Zapoj diodu mezi vývody B-E , katodou k bízi, anodou k emitoru
to znamená kam přesně přijde ta dioda? kam katoda a kam anoda? díky
katoda na bázi, anoda na emitor , opačně ólovaná než je přechod B-E
tak to nepomohlo..
Zkus to co jsem psal. Katoda na OUT anoda na zem. Tedy antiparalelně k tranzistoru. Ne na řídicí elektrodu.
taky jsem zkusil a pořád stejný, motor se z minima nechce rozběhnout a tranzistor v tu chvíli začíná rychle hřát
ten tranzistor hrozně hřeje, během chvilky je víc než vařící
jen tak mimo téma, z čeho tonapájíš, z akecu?
a jak velký odpor má ten motor?
z aku baterie pro akuvrtačku.. motor je taky z akuvrtačky 12V ale zkoušel jsem i jinej 12V motor (větší)
tak ještě jednou, co to nedělá?
když obvod zapne a potenciometr je nastavený na max. otáčky tak to jede, jde to regulovat do pomalejších otáček a když je to na minimu a motor se zastaví a pak ho zas chci rozjet, tak to chcípne a motor jen vrní a tranzistor se začne přehřejvat
aha, takže stáhneš otáčky a už to nerozjedeš...nedostane to špičkově rozběhový impulz...zkusil bych přes tlačítko a odpor nějakých 10 Ohm přizemnit kolektor. jestli se to rozjede, jen krátký stisk tlačítka..
to vypadá našpatný pracovní bod tranzistoru..
kolik je napětí na kolektoru tranzistoru, když to chce zase rozjet?
případně kolik je na bázi.
Zkusil bych tomu dát injekci ještě v podobě odporu 1k /možná méně, musíse zkusit/ z + na vývod 3
no hlavně jak jsem psal jsem tam dal jinej tranzistor a jiný úpravy jsem nedělal.. jinak doufám že mluvíme o tom zapojení s 556 (první odkaz)
nerozjelo se to přes to tlačítko..
Je to nějaký divný. Ty motorky jsou opravdu v pořádku? Ten údaj jeden 0,7 a druhej 25 ohm, to je nějak moc velkej rozptyl.
to se přes tlačítko rozjet musí, už si nepamatuji kolik jsme tam dalu odpor , tak ho zmenši...na půlku
protože to by měl jet ten motor jen mezi + a - přes ten R
svádí mne to řícim, že to budenějaká ptákovina
o,7 ohmů a ten druhej větší 25 ohmů
Motor z akuvrtačky je uhlíkový a nebo bezuhlíkový? Dej foto motoru. Pokud je motor bezuhlíkový, tak to asi nepůjde.
http://imageshack.us/photo/my-images/59/sdc11510n. jpg/
jeden je z akuvrtačky (ten menší) a druhej z DC ventilátoru
Pokud jde regulace žárovky, tak chyba v regulátoru nebude. Kolik přívodů mají motory, na dálku se těžko radí.
jo, regulace žárovky je v pohodě.. ten motor z aku má dva vývody a ten z ventilátoru 3 (červenej, černej a zelenej), zejtra ještě zkusim jinej motor a napíšu.. (nemůže bejt problém v tom odběru- že žárovka má menší než ty motory?
nemyslím, spíš se ten tranzistor řádně neotevře, měřil jsi kolik ne na kolektoru napětí, i když to jede naplno?
a to změrim multimetrem paralelně ke kolektoru nebo přiloženim mezi kolektor a emitor? omlouvám se za ty otázky ale nejsem moc znalej v elektru zatim..
kolektor-emitor
je to 2,2 V
no mohlo by tam být i méně, tak kolem 1V, Ten odpor 1k mezi + a špičku 3 jsi zkoušel? a při tom zase změřit mezo K-E, jestli to klesne
s tim odporem jsou to 2 V
zkus ho zmenšit na 1/2 , a pak to zase změř a zkus jak to reguluje a kolik je tam při max otaáčkách a kolik při min otáčkách
zmenšit to napětí nebo ten odpor?
no odpor...to je s čím právě laborujeme, a změřit mapětí K-E pro max. otáčky a min. otáčky
max. otáčky 2,13 a min. otacky 11,2 V
s tím změněným odporem?? mezi +a šp.3? na500Ohm?
to reguluje, jen to asinemá dostatečný proud pro rozběh...
zkus ještě zmenšit těch 56 Ohm na 1/2 a zaseměř..
ano s odporem 500R
tak zkus změnit ještě odpor mezi 3 a bází na 33 Ohm, možná by tam mohla být i dioda /anoda na 3, katoda na bázi/
aha, každej mluvíme o jinym schématu- je to uplně to první v odkazu s 556kou a mosfetem (kterej jsem neměl stejnej, tak jsem dal jinej- přesnej typ popisuju nazačátku) stavil jsem i to schéma s 555kou a místo tranz. jsem tam dal ten mosfet a dělalo to uplně to samý- z minima se to už nerozběhlo jen vrnělo
max. otáčky lítaj mezi 3V a 0V a motor s sebou trhá a min. 10,58 V
zkus ještě místo toho odporu tu diodu..
stavim schéma uplně v prvnim odkaze s 556 kou..
aha...ale to jsi neinzeroval...
tak dnes už stačilo...
i tak díky za čas..
tak jsem vyhrabal ještě jeden motůrek malej s malym odběrem a ten funguje jak má! regulace funguje, rozběhne se z nuly do otáček uplně v pohodě..
no vida, tak pro ten velkej by to asi chtělo výkonnější tranzistor zapojit stím co tam je jako Darlington..
ale je tam mosfet IRFPG50 ten by měl bejt dost výkonnej
zkus to zapojit takhle
![[schema-3.png]](http://i.iinfo.cz/images/27/schema-3.png)
mezi kolektor a zem(emitor) bych dal ještě jeden odpor, takže klidně tam narvi 3x 10K, nebo něco co máš po ruce, pod 1K bych moc nelaboroval, ty R u NPN Tran. bychdal v poměr cca 1:1 až 1:2 pro ten mezi bází a kolektorem, na tom NPN tranzistoru nezáleží, může to být prakticky cokoli
Řekl bych totiž, že se ti prostě neotvírá ten mosfet naplno, pro to malá zátěž funguje, ale velká ne.
vyzkoušim až bude trochu času a dám vědět..
tak jsem to zkusil a nic- nerozjede se.. ještě mi maj přijít tranz. BUZ11, tak pak to bude přesně jak ve schématu a když to nepujde, tak už na to prdim, zprovoznim to, až budu mít větší znalosti z elektra
tak zatim to bude bez regulace- chci na ten velkej motor nasadit unašeč brusných výseků a udělat si brusku na takový drobotiny..tak jsem chtěl, aby to mělo pomalej rozjezd.. nešlo by to nějak s kondenzátorem udělat jednoduše?
šel by udělat pomalej rozjezd?
šel, říká se tomu soft start, zkus nejdřív hledat
mrknu, díky
Jukni tu i onde.
z vrtačka je uhlíkový, když to jede na ss
a z větráku taky ..DC, tak musí mít uhlíky..
Nemusí a nemusí.
jj, nemusí...
http://www.dewalt.cz/powertools/cordless/xr-system /brushless/
Nemusí, grafitové uhlíky se davají do komutátorových motorů s nízkým odběrem proudu. Do motorů který vyžadujou vysokou zátěž, tam se davají grafitoměděné uhlíky - někdo si myslí, že to je měď, ale není to měď. Je to slitina uhlíku a mědi. pitval jsem spousty akuvrtček, ale žádný motor neměl grafitoměděné uhlíky.... Ale pamatuju si, že když jsem pitval motorek z autíčka na autodráhu, tak měl ty vysokozátěžové uhlíky...
Ještě zkus dát diodu paralelně k motoru, ale v závěrném směru. Tedy katoda plus zdroje, anoda OUT. Pokud máš k motoru připojený kondenzátor podle návodu, odpoj ho, zdá se mi moc velký. Jinak mi není jasné, proč by to nemělo fungovat.