
víko ucpávky 32 SVA sigma - jak vyměnit?
Zdravím,
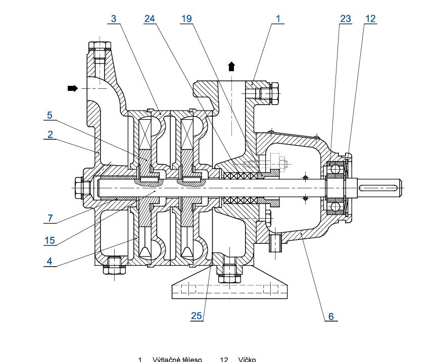
chci se zeptat, totiž "povedlo" se mi zlomit víčko ucpávky (20112 na obrázku Rozkres) na čerpadle 32 SVA. Přes utahování víčka dvěma matkama pořád hodně tekla voda kolem osy přes těsnící šňůry, a jak jsem pořád utahoval, tak najednou vidím že jedno "ucho" víčka se zlomilo. Moje blbost, no.
Nevěděl byste někdo, jestli jde jenom sundat ta klec (20109 na obrázku Rozkres) s ložiskem (je nalisované nebo jen vložené?) abych se relativně jednoduše dostal k výměně víčka ucpávky?
Půjde to ložisko sundat i s odšroubovanou klecí a dokážu z této strany to víčko ucpávky vyměnit za nové?
Nastuduj toto ,či podobné ...https://www.youtube.com/watch?v=He8NbYYmKmA
ložisko je nalisovane, bude treba stahovak.
Půjde to ložisko sundat i s odšroubovanou klecí a dokážu z této strany to víčko ucpávky vyměnit za nové?
Záleží na provedení čerpadla. Připojuji dva obrázky stejného čerpadla, jedno provedení má ložisko mezi dvěma segerovkama, to se nepodaří stáhnout bez rozebrání celého čerpadla, druhé má hřídel pod ložiskem osazenou a tam to jde relativně lehce stáhnout. Stačí ze strany od motoru vyndat velkou segerovku, vyjmout víčko, vyndat malou segerovku a stáhout. Samozřejmě je vždy zapotřebí stahovák, stačí obyčejný univerzální.
Jaké máte provedení zjistíte jednoduše změřením průměrů hřídele před ložiskem a za ložiskem - neplést si to s průměrem pro spojku. Pokud máte oba rozměry stejné, tak je tam ta zadní segrovka a domeček s ložiskem nepůjdou stáhnout, protože ta segrovka tou dírou neprojde.
Díky moc, to vypadá jako vyčerpávající odpověď od znalce.
Teď jenom jak změřit průměr hřídele v kleci, šupléra se tam nevejde..?
Znáš nějakou fintu?
(Teď si uvědomuju že jsem o tom s někým teoreticky mluvil, a říkal něco ve smyslu že když to čerpadlo skládá, tak vnitřní ségrovku tam nedává, nechápal jsem tehdy proč, ale teď se mi zdá/propojuje, že si chce asi nechat otevřenou cestu pro pozdější případné sundavání klece.)
Mire prosím, odpovězte mi, mám to provedení kde hřídel venku z klece má menší průměr než je průměr hřídele v kleci, takže by to mělo jít stáhnout jak píšete.
Jenom nechápu, a to mi prosím vysvětlete, proč musím vyjímat ty dvě ségrovky, proč nemůžu jednoduše stáhnout stahovákem celou klec se ségrovkama i ložiskem najednou??
A pak po výměně víčka (a nových těsnících provázků samozřejmě) to zase celé (klec s vestavěným ložiskem s dvěma ségrovkama a víčkem) nacpat/naklepat opatrně zpátky na hřídel??
"proč musím vyjímat ty dvě ségrovky, proč nemůžu jednoduše stáhnout stahovákem celou klec se ségrovkama i ložiskem najednou"
Protože ta malá segerovka na hřídeli nedovolí ložisku žádný posun. Ložisko při stahování musí posunout přes to místo, kde je ta segerovka. A ta segerovka tam je proto, aby se hřídel za provozu axialně nepohybovala. Takže opravdu sundat velkou segerovku která drží víčko, vydloubnout víčko a vyndat malou segrovku na hřídeli.
Aha, ta malá je na hřídeli, zatímco ta velká je zevnitř v kleci, dík moc za odpověď!
Myslím že jsem teoreticky vybavený, asi se do toho už pustím.
Jak se na hřídel (při skládání) to ložisko (které sundám stahovákem protože je na hřídeli nalisované?) zase zpátky asi dostane, nemám žádný lisovací přípravek, stačí třeba ho na hřídel opatrně naklepnout (třeba přes něco dřevěného)?
Nebo opatrně naklepnout kovovou trubkou vhodného vnitřního průměru (cca 17mm)?
odpovím přesně, nejde to sundat, strhak jsem na tom stahovák. musí se rozebrat celé čerpadlo, což asi bude problém. Ono se to montuje tak, že se do držáku ložiska vloží hřídel s ložiskem a to má na obou stranách segrovky, zepředu i zezadu. Pak se přidává předn příruba výtok, kolo, další příruba, kolo, a a příruba sání a to se sešroubuje.
Takže máš problém. Jeslti to půjde rozebrat, budeš mít štěstí. Ale musíš sehnat papírové těsnění mezi stupně, nebo si ho vystříhat ručně, a namastit...
P.S. také mi to ruplo, a tak jsem chtěl sundat ten držák ložiska, smůla, dodrbal jsem i ten, praskl. Ale měl jsem štěstí, ochotný pumpař pomohl....
Ale jde to, dnes jsem řešil úplně stejný problém. Teda řešil jsem ho dva dny a dnes jsem měl k dispozici přesně to víko a funguje jak za mlada...
"dnes jsem měl k dispozici přesně to víko"
Rozveďte to, jaký víko, jak bylo ložisko na hřídeli..... ? My víme, že o jde, ale čerstvá zkušenost se hodí
Na obrázku je to číslo 20112.
Sundat motor, vytáhnout závlačky a jde to při troše zručnosti vyměnit. Při tom je dobré zrovna vyměnit lojovou šňůru.
Teda ale určitě nemám před tou "zátkou" další matku, to je úplná blbost, ta tam být určitě nemá.
Edit: Důležté je ji dotahovat z každé strany souměrně, klidně o půl závitu a to samé z druhé strany a opakovat, jinak se zlomí. Dotáhnout ale tak, aby šla ta hřídel
otočit i rukou, ale ne moc lehce. Občasné ukápnutí není na škodu, ale nesmí to být zase extrém.
tak pokud máš stahovák který to ložisko vytáhne z futra předem po sejmutí velké segrovky, pak malé sefrovky co drží ložisko, vytáhneš ložisko, odděláš zadní segrovku tak pak sundáš celý držák ložiska. Ale jinak ne. Protože ta sefrovka co drží ložisko zezadu to nedovolí. Jedině že by jsi prorval futro ložiska..
Jj, přesně tak. Jen nevím, proč jsem psal "závlačky"
Možná proto, že jsem potom čistil i komín ke kotli na tuhá paliva a tam jsou právě závlačky na klapce...
Pánové, mohli byste mi ještě poradit, jak vyndat to plechové víčko za první ségrovkou (ze strany od motoru)? Je tam naplácnuté úplně těsně, ségrovku jsem sundal a přesto se víčko ani nehne. Jak byste ho zkusili vyndat? Kroužím kolem něj ševcovským šídlem, oba kraje vnitřní i vnější jsem očistil, a nehne se potvora!
Poraďte prosím!
když tam vejde šídlo, vejdou se tam i 2 jehle vyžíhané a ohnuté do háčku..L