
Boiler nenahřívá vodu
Prosím Vás jak změřím topné těleso v boileru jestli nahřívá ,kromě toho že voda teče studená . nikdo sničím nehýbal ( termostat).Děkuji
Prosím Vás jak změřím topné těleso v boileru jestli nahřívá ,kromě toho že voda teče studená . nikdo sničím nehýbal ( termostat).Děkuji
Zpět do poradny Odpovědět na původní otázku Nahoru
Není vypadlá jen tepelná pojistka,jinak změřit klešťákem odběr nebo aspoň vadaskou pokud do něj napětí vstupuje musí i vystupovat pokud není přerušené.
To je co toto za výplod fantazie ?
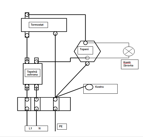
Jinak, jak změřit topné těleso je jednoduché, ale je nutný nějaký měřící přístroj a to buď voltmetr, to může být již zmíněná vadaska nebo nějaký multimetr. Tímto voltmetrem se zjistí jestli na vstupu spirály je napětí 230V~, pokud ano a spirála nehřeje, je přerušená.
Další metoda měření topné spirály je úsce spjatá s předchozím měřením, ale místo voltmetru se používá ampármetr, to je přístroj, který měří proud procházející topnou spirálou. Pokud je proud nulový, spirála je přerušena. Výhodný je měřit tzv. klešťákem, to je přístroj, který se "nacvakne" na jeden z přívodních vodičů a bezkontaktně měří procházející proud vodičem.
Poslední metodou jak změřit topnou spirálu je měřit pomocí ohmmetru. To je přístroj, který měří SS odpor spirály, protože topná spirála je vlastně kus drátu /né doslova/, tak by tento odpor měl být malý. Pokud je nekonečný, je spirála přerušena.
Podotýkám, že všechna měření potřebují nějaký měřící přístroj, ale hlavně nějaký znalosti z oblasti elektra !!! Především vědět co mám dělat a kam mám strkat prsty. Funkční bojlej vám bude naprd, když budete ležet ve špitále nebo nedej Bože pod kytičkama
To je co toto za výplod fantazie ?
Napsal jsem to co ty,Pokud je na vstupu 230V tak musí být i na výstupu pokud není přerušené těleso.
Ano napětí na vstupu spirály bude, ale docela by mě zajímalo co je výstup u topné spirály ? Výstupní produkt u spirál je především teplo. Pokud by na výstupu bylo napětí, jednalo by se o generátor. To si pleteš pojmy s dojmy
Ale jsi tu správně, na poradně, alespoň ti to někdo objasní.
no on zapoměl napsat, že musí odpojit vodič N.Pak to může projít fázovkou..
V době, kdy se má bojler zapnout (pokud ho máte "noční proud", tedy na levnější tarif) všechno v bytě vypněte a zhasněte a jděte se podívat na elektroměr, jestli se točí.
Nebo pokud máte vypínač u bojleru, zkuste ho vypnout a podívat se na spotřebu na elektroměru a pak ho zapnout a podívat se, jestli se roztočí rychleji, nebo se na moderním elektroměru ukáže proužek vyššího odběru.
Někdy je po zapnutí v tichu koupelny při položení ucha na bojler slyšet lehké vrčení nebo lehké lupání jakoby bublinek.
Pokud je bojler stále nezapnutý a přesto je na něm napětí, je možné, že je vadný termostat (stále vypnutý) nebo topné těleso.
Pokud máte elektrotechnickou kvalifikaci, nebo někoho s elektrotechnickou kvalifikací, můžete doutnavkovou zkoušečkou vyzkoušet zda je napětí a) na přívodu do bojleru (případně svítí doutnavka na vypínači), za termostatem, na přívodu k topnému tělesu.
Pokud tam fáze je a zdá se, že topně těleso přesto netopí, je možné bojler vypnout hlavním vypínačem aby na něm v žádném případě nebylo napětí a ohmmetrem vyzkoušet odpor topného tělesa. Pokud by byl nekonečný, je možné topné tělesou koupit a vyměnit. Nemusí se vyhazovat celý bojler. U starých Dražických bojlerů se topné těleso odpojí a vysune z jímky a místo vadného se koupí stejný (správný) typ, (hlavně kvůli průměru jímky, wattáž se může mírně lišit, místo 1500W třeba 1600W) a zasune do jímky a opět zapojí, zkontroluje, zapne, vyzkouší a používá.
Jestli naměříš proud na svorkovnici tělesa,je jedno čím,a těleso netopí,tak je v háji a musíš ho vyměnit
To asi jedno není, nebudeš měřit el. proud dozimetrem.![]:)](https://static.poradna.net/images/smiley/evilsmile.gif)
Pokud je těleso v háji, žádný proud tam nenaměří (kde nic není, ani proudy netečou).
Myslel jsem el.proud obecně pro neeletrikáře
.Pro Vás chytřejší opravuju na napětí měřeno čímkoliv-myšleno od vadasky,fázovky až po multimetry a já nevím co,jenom né dozimetry!
Koukám na ty rady (pokud je tu nějaká co by mne uspokojila, tak IMHO je mimo možnosti chápání tazatele) a chybí už jen: "Nasliň si prst a postupně sáhni na všechny neizolované dráty co tam uvidíš."
Takže v tomto případě asi jen jediná: Koukni na jistič, od bojleru, jestli není vypnutý a pokud je, zapni ho. Když to nepomůže nebo nevíš, který to je, zavolej elektrikáře.
nejdříve ověřit zda spíná tarif(noční proud) ,pak stykač ,jistič , havarijní termostat , provozní termostat . jednoduše pozvat elektrikáře. jinak spolehlivě vypnout elektřinu a vyzkoušet průchodnost jednotlivých komponentů obvodovou zkoušečkou (baterie -žárovička - propojovací kabílky).