
světlo přes PIR s přepínačem na stálé zapnutí
Mám doma světlo, které se mi zapíná pomocí pohybového senzoru, a ještě jsem do obvodu zapojil přepínač (schoďišták)
kterým přepínám jestli světlo má svítit pořád, nebo pomocí PIR.
Teď chci do systému přes jeden přepínač napojit další 3 světla se třemi PIR
ale rád bych kdyby přes jeden přepínač se zase dalo přepínat jestli chci aby světla svítila pořád, nebo přes první, druhý, třetí, nebo čtvrtý PIR dle pohybu.
Nejsem si jist jestli se to dá zapojit manuálně, nebo něco mi říká že by to šlo jenom pomocí 4CH relé, které by řídil přepínač :(
Asi bys musel uvést konkrétní svorkovnici PIR, aby bylo jasné co se s tím dá dělat.
tady tahle: https://www.exasoft.cz/emos-pir-senzor-pohybove-cidlo-ip44-w-1200w-cerne-g1125_d176592.html
klasika: hnědá, modrá, červená
Nějaký instalační návod tam nevidím.
PIR je napájen hnědým a modrým kabelem. Když senzor zaznamená pohyb tak sepne relé a fáze jde do červeného kabelu.
Pak stačí napojit žárovku z modrého a červeného.
A při automatickém pohybu se žárovka rozsvítí.
Stačí světla přepínačem přepínat na červenou (výstupní fázi) z 1., nebo 2. atd. čidla, případně na tvrdou fázi pro stálé svícení.
To mi funguje bez problémů když mám jedno světlo jedno čidlo jeden přepínač.
Chceš světla připojit na 1., 2. atd. PIR. To lze přepínačem. Tak nevím v čem je problém.
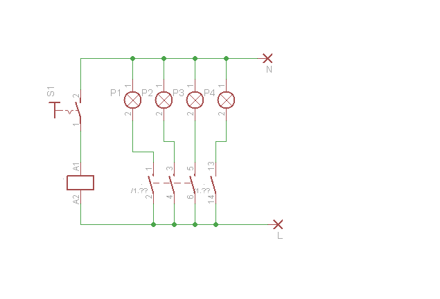
Pokud dobře chápu, tak to má fungovat tak, že v poloze PIR, spínají jednotlivá světla, podle toho, které PIR je aktivní a v poloze stálého svícení svítí všechna světla současně. Myslím, že to jinak nepůjde, než použít nějaký spínač se čtyřmi spínanými kontakty, nebo relé. Protože je potřeba pro stálé svícení přivést fázi za každé čidlo, ale nesmí dojít ke vzájemnému spojení.
Pokud PIR spínají fázi pomocí relé a je tam jenom jedna fáze, pak ji tam může přivést.
Ale musí to být oddělené, jinak by při aktivaci libovolného čidla svítily všechny světla.
Ale chce, aby všechna svítila jen při zapnutí spínače pro stálé svícení.
Jinak aby fungovala samostatně podle aktivace čidel.
Pochopil jsem to možná špatně, ale tak, že chce VŠECHNA světla ovládat 1., 2., atd. čidlem, případně všechna zapnout natvrdo.
"" nebo přes první, druhý, třetí, nebo čtvrtý PIR dle pohybu.""
Myslím, že chce buď spínačem rozsvítit všechno trvale, nebo v druhém případě, aby se světla spínala postupně podle pohybu chodce. Pak musí být přivedení fáze za čidla vzájemně oddělené.
teď když o tom tak přemýšlím, ono de o to kde se do obvodu hodí ten přepínač
za chvíli to hodím to na papír ... .
tohle je jak to funguje se 3 senzory pohybu a 3 žárovkami
https://1drv.ms/u/s!Ah3ZZCKCZMdDhoA8en-7yMQmlykOtQ
ale kde dát ten přepínač, aby všechno šlo nezávisle.
jedině třífázový stykač (pro čtyři světla by to musel být typ s pomocným kontaktem), jinak nic jednoduchého mě nenapadá
ještě mě napadl dvojitý schodišťák, kde každé tlačítko by mělo svoje dva nezávislém obvody, mám dojem že se něco takového používá když jedno světlo chci ovládat třemi nástěnnými vypínačí
aby se jednalo o manuální ovládání,
nebo 4CH relé
Pro čtyři světla je potřeba spínač se čtyřmi kontakty.
Nejjednodušší, i z hlediska tahání kabelů, se mi jeví použití relé se čtyřmi spínacími kontakty.
Realizaci bych udělal tak, že v místě ovládání by byl lustrový spínač (dva samostatné spínače).
Jeden spínač by ovládal napájení, slouží k úplnému vypnutí. Druhý spínač pro trvalé svícení.
Odtud bych vedl kabel ke světlům. V kabelu dva fázové vodiče a N plus případně PE. Jeden fázový vodič (ovládaný prvním spínačem) pro napájení čidel. Druhý fáz. vodič (ovl. druhým spínačem) pro trvalé svícení.
U prvního světla (čidla) bych umístil relé a cívku (230V) napojil na ten druhý fáz. vodič.
Na relé připojil fázi na všechny kontakty a spínací jednotlivé kontakty napojil na vodiče vedoucí k jednotlivým světlům, zapojené za výstupy čidel.
Potom: Svítí světlo, pro které bylo aktivováno pohybové čidlo.
Po sepnutí druhého spínače se přes kontakty přivede fáze za všechna čidla a svítí všechna světla trvale, do vypnutí spínače2.
Po vypnutí spínače 1, nesvítí nic.
Relé musí mít samozřejmě cívku na 230V AC (střídavé). Asi něco jako https://www.rele.cz/paticova/p-napajeci-napeti/250-v-250-v-ac