
Snížení napětí odporem
Kdysi jsem to snad i uměl, ale teď jsem se marně snažil vypočítat, jaké naměřím napětí za odporem 22k připojeným na síťové napětí 240V. Počítal jsem tak dlouho, až jsem ho tam nakonec musel připojit a změřit si to. Ukázalo mi to 160V.
Našel by se někdo, kdo ještě nezapomněl jak na to?
Já nerozumět řeč tvůj kmen.
![[86513-u-jpg]](https://kutilska.poradna.net/files/86513-u-jpg)
Pokud jsi to měřil takhle jak je to na obrázku, a jinak jsi tam neměl nic připojeno, tak naměřené napětí závisí i na vnitřním odporu voltmetru.
Ano, odpor jsem připojil jako je zobrazeno na obrázku. 22k je míněno 22000 ohmů.
Jaký je vnitřní odpor multimetru bohužel netuším.
Odpor multimetru je 44kΩ.
K čemu to má být dobré netuším. Bez voltmetru bude napětí za odporem stejné jako před ním. I u levných digitálních multimetrů je vnitřní odpor pro měření napětí řádově nejméně stokrát vyšší než ten 22k.
Pravda, vzpomínám si, že je třeba znát hodnotu proudu a chybně jsem počítal s proudem vypočítaným jen ze vztahu napětí k tomuto odporu. Ale skutečný proud asi tak snadno nezjistím, protože odpor je vsazený do obvodu. Přímo za ním následuje dioda, LED proti 10k odporu, trimr, kondenzátor a integráč, propojující obvod s dalšími součástkami.
Dobré je to k tomu, že v obvodu odešel zmíněný kondenzátor s nominálním napětím 35V a já jsem doma našel v odpovídající kapacitě jen kondenzátor na 25V. Tak se snažím zjistit jestli ho můžu použít, nebo budu muset sehnat stejný. Zkusím ho tam dát a uvidím jak dlouho vydrží.
Ty chceš kondenzátoru snížit napětí odporem? To fakt ne.
Zjisti si napětí. Pokud je tam 20V a ty dáš kondenzátor 25V, můžeš. Pokud tam bude vyšší napětí, tak jiný kondenzátor.
Kapacitu můžeš poskládat z více paralelně napojených kondenzátorů, pokud je máš v odpovídajícím napětí.
Jinak kondenzátor je položka za pár korun.
Ten odpor je původní a zřejmě skutečně slouží ke snížení napětí v obvodu, otázkou je jen to, jestli originální kondenzátor byl předimenzovaný a postačí tedy i ten můj na 25V, nebo byl na hraně a slabší příliš rychle odejde. Zatím to funguje.
Kondenzátor samozřejmě není nic drahého, ale u nás na venkově je to s pořizováním tohoto druhu zboží složitější, no a v neděli zcela vyloučeno.
šlo by to spočítat, kdyby se povedlo namalovat schéma zapojení s hodnotami součástek - protože na jejich odběru záleží, jaký úbytek bude na odporu.
není tam třeba skleněná zenerka pro omezení napětí pro ten io?
taky by možná tu věc šlo koupit na alienexpress apod, jen doručení z české pošty může být delší než cesta z asie.
Také znám tu situaci a to i ve městě, bastlí se o víkendu a prodejny mají otevřeno přes týden, takže je potřeba improvizovat.
Zkus nějak vydedukovat schema toho zapojení.
Obvykle se to teda dělá tak, že většina napětí je na kondenzátoru a odpor je tam jen pro omezení špiček. Pak tam musí být něco, co nedovolí, aby na ledce bylo záporné napětí (nemají to rády).
Tohle vypadá, že je tam jen odpor spočítaný tak, aby jím teklo cca 10mA (což je ale ztráta 2.2W, čili nebude nijak malý), ale je otázkou, co je za nim.
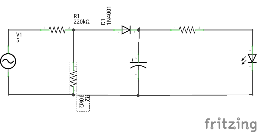
Pokud je tam 10k odpor na výstupu (ne např v sérii s lekou), pak se napětí rozdělí v poměru odporů (jedna ze základních pouček z fyziky snad už základní školy), čili v poměru 1:22. Dvaadvacátá část z 220 je 10V. I kdybychom počítali 230V a jeho amplitudu 300V, pořád jsme na 13.5 V (ještě bude potřeba přidat 10% toleranci napětí sítě). Je otázkou, jak s tím zahýbe kondenzátor, ale ten snad může výstupní odpor (impedanci) jen snížit, muselo by se udělat totéž, ale s komplexními čísly. Pokud je ten kondenzátor na výstupu a ne třeba až za diodou (což by bylo logičtější). Dovolil jsem si nahlédnout do křišťálové koule, ze které jsem obkreslil, jak by to asi mohlo vypadat (příloha). Jenom mi fantazie nedává představit si tam nějaký integráč. Možná by pomohla fotka.
Jestli ono nebude jednodušší nějaký obvod k ledce vyrobit od začátku, jak připojit led na 220 voltů patří k oblíbeným tématům, protože to neni úplně jednoduché (třeba proto že nestačí jen odpor, respektive stačí, ale zbytečně by to topilo, tak se vymýšlí, jak přenechat ten úbytek kondenzátoru, kde netvoří činný výkon, ale tam jsou zase proudové špičky při zapnutí...). Teda pokud je výstupem jenom ledka, ale i kdyby to mělo být pro integráč a něco za ním.