
Myčka whirlpool nereaguje
Dobrý den, mám 5 let starou myčku whirlpool adg 8196 ix dosud fungovala bez problémů, při dalším zapnutí tlačítka ON/OFF do polohy ON myčka nereaguje, nerozsvítí se display a nelze spustit žádný program.(myčka je v zásuvce a do zásuvky jde proud
) Nemáte někdo zkušenost se stejným problémem? Děkuji za odpověď.
Tuto myčku neznám, ale neodesla pojistka v napájecí části v mycce ? Mozna bude rozumné přístupná ...
Mozna odešlo topné těleso:
Je mycka připojena v okruhu připojeném pres proudový chránič ? (Nemyslím jistič).
Pokud ne, zkuste ji připojit do zásuvky, která je takto chráněna (např v koupelně by zasuvky určitě). Pokud ji zapnete (a nebylo to pojistkou v mycce), a vyrazí to proudový chránič, vidím to na těleso ...
Více bez rozebrání asi nezjistite, mozna zkusit prohledat servisní manuál ...
Nevím jestli je okruh zapojený přes proudový chránič, zapojil sem myčku do zásuvky v koupelně a bez reakce.
Rozebral sem zadní část kde je přívodní kabel.
kabel je připojen k tomuto dílu "iskra kpb7325"
http://www.pieces-online.com/filtre-lave-linge-lad en/2894-filtre-antiparasite-37362-iskra-kpb7325-la ve-linge-481212118285.html
Nevím o co se jedná, nic jiného tam vidět není.
To je jen odrušovací filtr, je ZA NÍM napětí 230V?
momentálně to nemám čím změřit, snad něco seženu. Ještě bych pak asi změřil jestli jde nějaké napětí do vypínače ON/OFF a jestli vůbec vypínač propouští, jestli tak teda něco bude, elektrice moc nerozumím tak abych tu neplácal blbosti.
Pokud ale bude napětí i za vypínačem tak pak může být chyba nejspíš v programátoru.
Jj, Asi to budete muset promerit, bez toho se asi nelze pohnout, pokud se neozve nekdo, kdo tuhle potvoru zná ...
Zda jde do myčky z jejího zdroje napětí, na on/off tlačítko, na desku ... Obyčejný multimetr koupíte za par stovek a určitě se vám bude jeste hodit ...
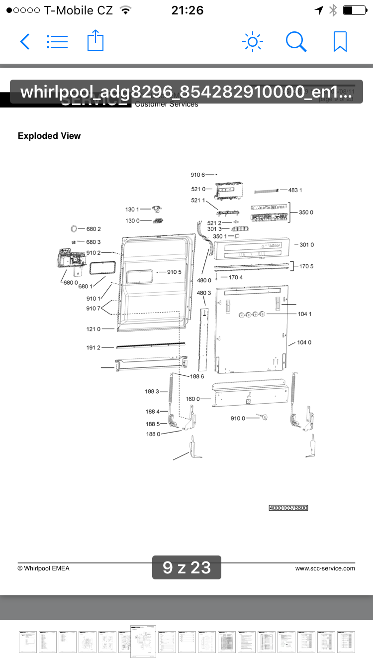
Přikladam obrázek z typu 8296, mohlo by to byt podobně ... Součástka na pozici 5212 je 10A pojistka. Rozeberte panel myčky a vyndejte ji ven a zkontrolujte ji, zda neni prorazena. Pokud nemáte jeste ten multimetr s měřením odporu, tak třeba svitilnou se zarovickou, musí byt průchozí ...
... A pro klid duše jeste před tím vším zkuste stisknout a držet PROGRAM tlačítko déle, nez 5 sekund, jestli se mycka nerozblika ... Nevim, zda jen Program tlačítko nebo to Program tlačítko stisknout a držet a k tomu krátce stisknout ON. Pokud to nic neudělá, jdete po té pojistce ...
Dnes odpoledne budu mít měřák tak to proměřím. V panelu myčky jsem u tohoto modelu žádnou pojistku nenašel a nenašel sem jí ani v seznamů dílů ani na výkresech. Je možné že tam ta pojistka není, nebo tam musí být?
Reset jsem zkoušel a nic. Myčka vůbec nereaguje.
Tady je video i s tou pojistkou, taky whirlpool, kouknete na to.
watch
Taky zkontrolujte, ze zámek dveří správně detekuje zavření / otevření dveří myčky.
Další video zde:
watch]
Ze by tam nebyla pojistka asi možné teoreticky je, ale spíše bych ji tam čekal ...
Tak jsem všechno proměřil a vypadá to následovně. 230V jde až do programátoru, vypínač propouští, je funkční. Ve spodní části jsem našel něco jako pojistku, ale vedou k tomu pouze dva slabé kabely tak nevím co by to mohlo být. viz foto HoR
ty kablíky vedou přes tento díl do programátoru, zkouška propustnosti tohoto dílu je negativní.
Může to být ta závada , nebo jde o něco jiného?
Fotka se nedá zobrazit ...
Já jí vidím.
http://imageshack.cz/images/2016/08/24/WP_20160824 _0042fc53.jpg
Ano, to je pojistka ... Vypada jako zlomena v tom sklenenem futralu ... Pokud je nepruchozi, jak říkáte (odpor nekonečný mezi kontakty, měřte mezi konci Te skleněné trubicky), objednejte tuto celou součástku novou (nebo rovnou dvě
a výměnte ji ... Pojistky nebouchaji samy od sebe, mozna je v mycce nějaký další problem, proč pojistka odešla (ale nemusí) ... I kdyz tato vypada jen jako zlomena pnutim a vibracemi ...
Mohl byste zkusit ty přívodní dráty propojit mezi sebou a pojistku obejít a mycka by mohla nabehnout, ale kvuli výše uvedenému bych to nedoporučoval, aby se nespalilo neco dalšího, pokud je tam další problem, nez jen praskla pojistka a ta zafungovala a splnila svůj účel ... Pokud byste tento díl nesehnal, napájel bych na její místo (te skleněné trubičky) "trubickovou" 10A pojistku ...
Tak jsem nahradil pojistku jinou pojistkou a myčka pořád nefunguje, asi bude problém někde jinde.
Už nevím kde by to mohlo být, možná nějaká chyba v programátoru.
To neni pojistka!!! to je jazyckove rele! Je to tenkej pasek, nekde pobliz musi byt magnet, kterej kdyz se priblizi tak to sepne. Podle me to neco snima, zavreny dvere nebo otacky neceho...
S rozoberaním by som ešte počkal. S podobnou mám jednu skúsenosť, "zinvertovala" sa práve funkcia on/off tlačítka. Bežala pri vypnutí, a voliť program šlo pri zapnutí, pomohol jej reset (podržanie tlačítok na správny čas)
Skús ju nechať chvíľu bez prúdu, a potom ten reset.
Tlačítko nefunguje ani v jedné poloze, reset nefunguje.
A dlhé ponechanie bez prúdu nepomohlo? Vybrať zo zásuvky na hodinu, možno aj viac.
byla bez proudu skoro celý den a pořád stejný stav.
Dobrý den,ten obrázek z data "24.08.2016 21:08" není pojistka ale spínač.Spíná se a rozpíná pomocí magnetu.
asi máte pravdu, potom by tam blízko mal byť buď magnet, alebo elektromagnet, nejaká cievka
Tak myčka opět funguje jako nová, problém byl v programátoru myčky. Opravář mi po telefonu řekl že to bude v programátoru a ten stojí cca 3000kč + cesta oprava a jsem na 4000kč a to že se mi nevyplatí, ať si koupím novou myčku. A panel prý opravit nejde. Po chvilce hledání jsem našel firmu www.kselectronic.cz kde panel opravili za 1500kč + 2x50kč za poštovné.
Měl jsem podobný problém s pračkou.Nesvítil displej,nefungovala.Opravář mi řekl v podstatě to,co vám.Přijedu,podívám se,zaplatíte cestu a cenu za diagnostiku poruchy-celkem asi 900 Kč,když bude špatný programátor,můžete se rozhodnout-buď nový za 2-3000 nebo novou pračku.Tak jsem programátor vytáhl a zjistil,že je spálený odpor a integrovaný obvod ve spínaném zdroji-typická závada u praček,myček, v ceně asi 30 Kč.Největší problém byl vyměnit ten IO,naštěstí mám bratra,který to zvládl.Takovým "opravářům" by patřilo nakopat do,nebo někam jinam,to nejsou opraváři ale měniči dílů,to zvládnou i cvičené opice.
A jak se pozná, že jsou ty součástky spálené?
Díky