
Změna otáček motoru při dvoukabelovém zapojení hvězda trojůhelník
Dobrý den,
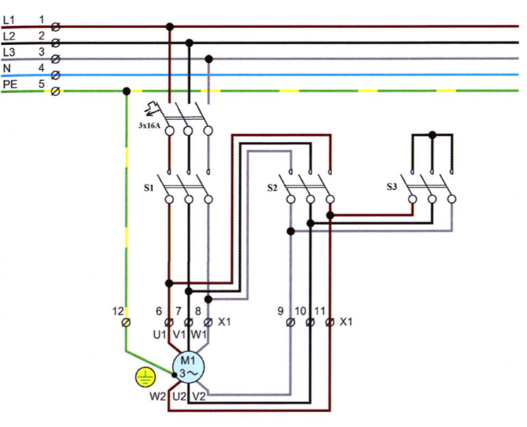
mám takový dotaz ohledně schéma v odkazu níže.Co když potřebuji změnit otáčky motoru na shématu? Zaměním tedy vodiče na svorkách motoru U1 a V1. Dále si pak nejsem jistý jestli bych totéž neměl provést na svorkách U2 a V2.
Děkuji předem za jakoukoli odpověď ikdyž to může bejt pro někoho banalita,nehodlám 1800km od Česka někde v Rusku,spálit 22KW motor

Pro změnu otáček by mělo stačit prohodit libovolné fáze na přívodu. Jen aby bylo jasné, né za chodu.
Změna otáček - to není jednoznačně položený dotaz![]:(](https://static.poradna.net/images/smiley/evilworry.gif)

Změnu SMYSLU OTÁČENÍ lze nejsnadněji provést změnou pořadí fází na přívodu ke stykači S1, nebo předřazeném jističi (celkem 2 vodiče). Pokud změnu z nějakého důvodu chcete udělat na svorkovnici motoru, musíte prohodit U1aV1 i U2aV2 (tedy celkem 4 vodiče) a to bývá ve stěsnané svorkovnici motoru obtížné
Změna otáček, tedy POČTU OTÁČEK za minutu, je možná (u asynchronního motoru) změnou počtu pólů motoru (vinutí na jiné otáčky), nebo změnou frekvence přívodu (frekvenční měnič). Malé změny lze také dosáhnout jinou konstrukcí motoru - "skluzem".
Já jsem si taky myslel, že tazatel potřebuje změnit počet otáček/s. Pokud chce měnit smysl točení, dá se to udělat dvěma stykači - musí být uzpůsobené (elektricky nebo mechanicky), aby se nemohly sepnout oba najednou (to by vyvolalo zajímavé světelné a zvukové efekty) a je dobré pohlídat, aby se při změně smyslu otáček motor napřed zastavil a pak teprve roztočil na opačnou stranu (pokud k takovému způsobu řízení není přizpůsoben).
Já to s dovolením shrnu, sice jsi to popsal pěkně, ale možná až moc odborně.
Pro tazatele :
1.) Pokud chceš aby se motor točil na druhou stranu než se točí teď (smysl otáčení), prohodíš dvě fáze na přívodu tj. před jističem nebo před S1 - nesmíš na obou místech. Jinak je jedno, které fáze prohodíš.
2.) Změnu rychlosti (ot/min) provedeš v tvém případě pouze frekvenčním měničem.