
+/- střídavé nebo stejnosměrné napájení ?
Dobrý den koupil jsem si zesilovač 1x 50w vše je sestaveno několikrát zkontrolováno a vše je jak má bít ale problém je u napájení kde výrobce píše +/- 28V - 2.5 A to +/- myslí jako střídavé napětí nebo jako +/- něco malo pod a nad 28 V jak třeba 27V nebo 29V ?
Tady je to samé akorát 2x50W http://www.elektronicke-stavebnice.cz/products/zes ilovac-2-x-50w/
Střídavé napětí nemá plus ani mínus, tudíž se jedná o DC (symetrické).
Znamena to ze potrebujes tie napatia dve. Jedno +28V, druhe -28V. Oproti GND. Da sa to urobit aj z trafa s jednym sekundarom (spravnym zapojenim diod a kondikov), ale lepsie je mat trafo s 2 sekundarmi.
Moc děkuji za radu.
Ted mám ještě jeden problém protože jsem to nevěděl tak jsem tam dal na +28V +28V a na -28V GND a nějak se začalo čoudit z rezistoru ten jsem vyměnil ale začala čoudit i dioda tu budu asi muset taky vyměnit že ? a neb je možné že funguje ?
Jo a to trafo 28V mám ale jen jeden sekundarem a pak mám ještě trafo se 2 sekundery ale jen s 24V.
Pokud bude vše v poradku bude zesilovač fungovat i na 24V ?
Chápeš vůbec pojem symetrické napájení?
O symetrickém napájení jsem neměl ani páru ale teď už o něm vím a něco málo jsem si o tom na internetu přečetl.
Ano bude fungovat aj na 24V (co bude ale po usmerneni 34V takze sa odpali). Ale mam pocit ze si ten zosilovac stejne uz odpalil. Tak jak to popisujes by sa nic odpalit nemalo, takze si tam zapojil nieco inac jak pises, a riadne blbo (napr. si tam dal striedave alebo naopak), alebo uz odpaleny bol.
Potřebuješ trafo, které má dvě oddělená vinutí na sekundáru nebo vyvedený jeho střed. Teď to je asi na vyhození.
Jste diletant a hlavně se nevydávejte za amatéra. Pojem "symetrické napájení" neznáte, takže buď sežeňte někoho, kdo ano, nebo to rovnou zabalte a pořiďte hotový výrobek.
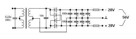
Jo, třeba, zde (viz schéma),...
Nejlepší je tenhle obrázek "symetrického" napájení, to kreslil zase nějaký blbec. Příště prosím tě buď od té dobroty a nedávej sem blbosti. Děkuji
Mimo jednocestného usměrnění a absence blokonacích 100nF kondenzátorů u stabilizátorů je problém kde?
Mno, řekl bych, že blokovací kondy tam vidím, ale filtrační elyt je až na výstupu (zbytečně) a naopak chybí hned za diodou (nutnost!).
Stabilizační člen, který pracuje s tepavým průběhem a navíc ještě s každou druhou půl-periodou, ten kdo tohle vymýšlel musel mít opravdu v hlavě nasráno. Navíc pokud použiješ jednocestné usměrnění, máš na výstup pouze polovinu napětí, takže ve výsledku ten stabilizátor ani nebude potřeba, protože tam bude okolo 11V ...
A to nejdůležitější - absence filtrační kapacity za usměrňovačem, ale to už psal jirka ...
Lepsie su 4diodove mostiky na usmernenie.
Ano tie linky od ms boli nejak trochu mimo (nejak som ich nepochopil)
Ale je tam celkem jasně ukázané, co to "+" a "-" a "GND (zem)" vůbec znamená. Nepochybuji, že k té stavebnici byl nějaký návod a na samotné desce je to také nakresleno.
Zase jeden co předpokládá, že všichni tu máme křišťálové koule, schema zapojení zesilovače i zdroje ke kterému to zapojil z nich vyčteme a bude nám jasné i jaké reproduktory (pokud vůbec nějaké) k tomu zesilovači ten kutil měl připojené.
BTW: K čemu vlastně těch 50W použiješ?
Tak pokud jsi udělal takovouhle blbost, tak jsi ho na 90% zkurvil a můžeš ho vyhodit do koše. Těch 10% záleží na zdroji a jeho tvrdosti, pokud byl dostatečně tvrdý ( velký trafo, baterky ), tak jsi ho zkurvil, pokud ne, tak máš malou šanci, že to přežilo.
Každopádně teď vyměň všechno očouzený a sežeň trafo/trafa, který budou mít dva sekundáry po 20V střídavého -> po usměrnění tam bude tvých vysněných 28V DC.
Tu
Na konec jsem se rozhodl použít toto schema zapojení a dám vědět jak to dopadlo a všem ostatní děkuji za cenné rady které se určitě hodí.