
Rozvod topení v cu v rodinném domě s kotlem Dakon na tuhá paliva
Dobrý den,
na chalupě hodlám rekonstruovat ústřední topení. Potřeboval bych poradit s propojením radiátorů a kotle. Pokud by tu byl někdo kdo by mi mohl poradit, jistě napíšu více informací. Hlavní mou otázkou s kterou si nevím rady je, zda musí být u ústředního topení s uzavřenou tlakovou expanzní nádobou a oběhovým čerpadlem čtyř či tří cestný ventil. Já bych tam nejraději nedal žádný pokud je to možné. Dále bych se chtěl zeptat zda od kotle mohu vést potrubí v cu o průměru 28 a dále rozvětvovat, nebo mám zvolit silnější. Kotel má závit G6/4.
Předem všem velice děkuji za jejich reakce.
S pozdravem a přáním hezkého dne
Lukáš Z.
Nelze na dálku radit přesně, když neznám prostor domu.
Nevidím důvod pro trojcesné ventily.
Příklad když budou 3 malé radiátory, stačí slabá trubka. Když bude víe velkých radiátorů, musíte dávat zkraje silnější trubky.
Osobně bych doporučil pozvat topenáře, aby nyvrhl vyváženou soustavu. Nebo se pak budete zde ptát, že Vám topí tamta strana více..
28mm je ok.
Mockrát Vám děkuji za odpověd. V příloze zasílám rozměry trubek které bych chtěl zvolit. Zapoměl jsem napsat že se jedná o kotel na tuhá paliva. Pokud by bylo možné kouknou na ten návrh potrubí zda je to v pořádku. Nejdále bude ten nejvýkonnější radiátor 3427W, nebude trubka 15mm slabá? Předem se omlouvám za neodborné zpracování. Ještě bych se chtěl zeptat zda nebude vadit trubka do podkroví 22mm na které bude připojený jeden radiátor trubkou 15mm a na konci trubky 22mm bude záslepka pro další budoucí rozvod. Nebude to v současnosti dělat neplechu?
Mockrát děkuji za rady.
Tří nebo čtyřcestné ventily by měly zabránit nízkoteplotní korozi a snížit zadehtovávání kotle. Mnoho výrobců kotlů má v záručních podmínkách uvedeno že bez jejich instalace nelze uplatnit reklamaci na prorezivění kotle. Jak to má dakon nevím. Já mám samotíž s čerpadlem, takže pro mě by to byl další zbytečný zdroj poruch. Odvzdušňovák dejte na výstup z kotle, na stoupačce je Vám k ničemu. Proč je zpětná klapka za čerpadlem? Vyvážení soustavy usnadní termostatické ventily. Osadil bych je na menší radiátory + ten jeden na samostatné větvi se zaslepenou stoupačkou.
Mockrát Vám děkuji za odpověd. Takže tedy zpětnou klapku mám umístit před čerpadlo? A odvzdusnovaci ventil nemusí byt v nejvyšším bodě? Stačí umístit na vývod teple vody z kotle? V příloze zasílám foto odvzdusnovaci ho ventilu.
Ještě jednou děkuji.
Zpětnou klapku tam nedávejte vůbec. Nechápu jakou by tam měla funkci. Ta se dává v případě že máte čerpadlo zapojené na bypassu. Pokud máte čerpadlo přímo na zpátečce tak je tam zpětná klapka k ničemu. Odvzdušňovák se dává buď hned za vývod z kotle nebo na první radiátor za kotlem. Ve zdroji tepla se uvolňuje nejvíc vzduchu navázaného na topnou vodu tak proto. Nijak vysoko ho dávat nemusíte např. http://forum.tzb-info.cz/docu/diskuze/1100/110083/ 0484001.jpg. Pokud už se nějaký vzduch dostane do zaslepené stoupačky tak to ničemu vadit nebude.
Nevím jestli dobře chápete funkci čtyřcesťáku. Ve stručnosti vám rozdělí otopnou soustavu na topný okruh s radiátory a malý(kotlový) okruh. To vám umožní mít jinou teplotu topné vody v kotlovém okruhu(provozní) a jinou(nižší) v topném okruhu kam se z kotlového okruhu horká voda přimíchává podle požadované teploty v místnostech. Máte zdroj který je minimálně regulovatelný a to ještě se zpožděním. Pokud kotel roztopíte na provozní teplotu a topný okruh bude uzavřený nebo hodně přiškrcený čtyřcesťákem tak nastane velký problém. Pokud chcete mermomocí čtyřcesťák tak jedině se servopohonem, který si přes nějakou řídící jednotku a teplotní čidlo bude hlídat teplotu zpátečky a pokud bude teplota vratky dostatečně vysoká tak se otevře naplno. Dále každý okruh musí mít své oběhové čerpadlo takže podle vašeho schématu to topit nebude. Kotlový okruh by mohl případně chodit i samotížně, ale co jsem vyčetl na různých fórech o topení tak to nedělá dobrotu. Ať to beru zleva zprava bude to stát ranec, komfort vytápění Vám to nezlepší a jsou to další věci které se můžou pokazit. Jestli už mermomocí chcete hlídat teplotu zpátečky a doufat že Vám díky tomu kotel vydrží déle tak tam dejte třícesťák s termopatronou to aspoň nestojí tolik.
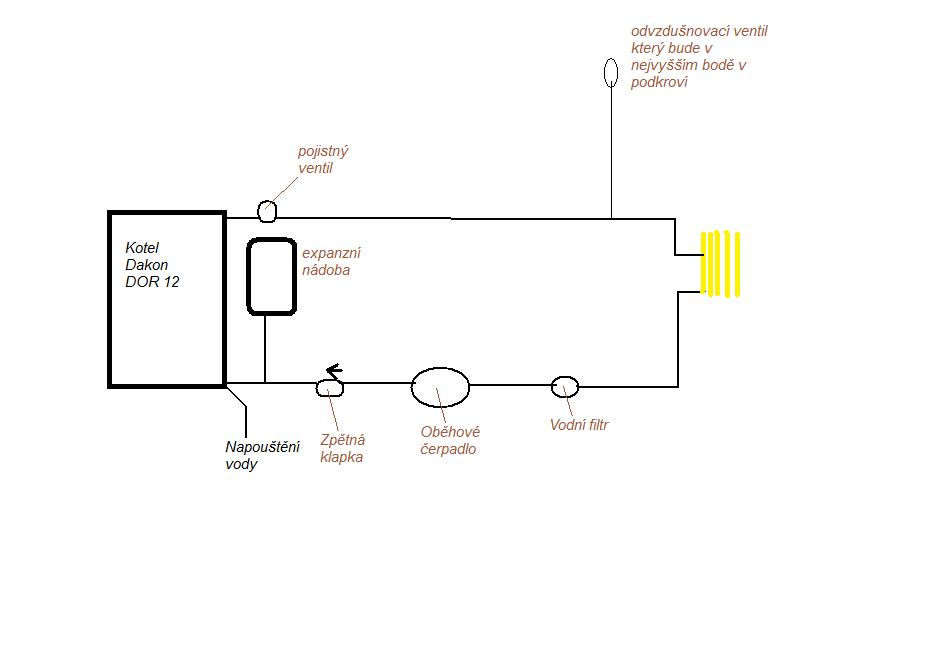
Děkuji Vám mockrát za Vaše užitečné rady. Zádný čtyř ani tři cestak tam dávat nebudu. V příloze posílám stručný plánek jak by to tedy mohlo vypadat. Jen se chci zeptat ohledne na pouštění, stačí mít jeden kohout který je u kotle? Tím vodu napouštět popřípadě i vypouštět? Nebo musim kohoutu umístit více? A kdyz budu plnit trubky vodou, kam se vytlačí ten vzduch.
Jeste jednou dekuji
Za málo. Ten jeden kohout stačí. Vzduch se vytlačí přes odvzdušňováky na radiátorech proto jsou radiátory v mírném spádu aby byl odvzdušňovák v nejvyšším bodě. V zaslepené stoupačce vzduch zůstane což ničemu nevadí, alespoň konec stoupačky, pokud bude v nevytápěném prostoru, nezamrzne. Jestli si to budete pájet sám, což předpokládám, tak doporučuju odzkoušet těsnost soustavy vzduchem. Oproti tlakové zkoušce vodou je to rychlejší kór pokud se to na poprvé někde nepovede a musíte to zkoušet opakovaně. Před a za čerpadlo dejte nějakou uzavírací armaturu ať v případě poruchy nemusíte kvůli čerpadlu vypouštět celý otopný systém. Já mám kulák i u expanzomatu, ale je to proti předpisům takže to Vám radit nebudu.
Jestli se mužů ještě zeptat. V případe napouštění vzduchem mám na přívod vody napojit kompresor? Nebo když tam napojim vodu kterou pustím do kotle tak ta se přes vzduch v trubkach dal nedostane ? Nebo stačí dofouknout expanzní nádobu? V případe naplnění vzduchem, mám odpojit ten samo odvzdusnovaci ventil? Velice děkuji za suprer nápad s tím vzduchem. Jen si sítím trosku nevím rady.
Jasně že kompresorem
a kontrolovat pokles tlaku, případně lze kritické spoje po natlakování postříkat jarovou vodou. Musíte si vybrat čím tlakovou zkoušku uděláte buď vzduchem přes kompresor nebo vodou s tím, že musíte soustavu odvzdušnit. Odvzdušňovák samozřejmě předtím zavřete. Pokud si bude dost jistý provedením všech spojů tak to zkuste klidně na ostro vodou. Ale pokud byste měl několikrát soustavu napouštět a kvůli opravě vypouštět tak je rychlejší vzduch.
Dobrý den, kdysi jsem se tu informoval na rozvod topeni v cu potrubí. Nyní je pomalu čas realizace a rozhodl jsem se místo cu potrubí pex al pex. Mate s tím nějaké zkušenosti? Myslím si ze pro kutily je to ta nejjednodušší verze pomoci svěřených sroubeni. Jen navíc přidám ke kotli chladicí smyčku kvůli pretopeni.
Prosím o jakékoli rady či zkušenosti
Dekuji
Chtěl bych se jeste zeptat zda muže byt takové to zapojeni s ctyrcestnym ventilem? A jak vysoko mam umístit automaticky odvdusnovaci ventil?
Předem vsem děkuji za reakce
jak psal milan, nevíme jak velký objekt s tim budete vytápět a pak jaká teplota je pro vás přijatelná vs. cena(hodně proměnných tam kolem je) ale podle typu kole to nic velkého nebude.
Nic nezkzíte pokud si to umíte udělat sám ty navrhované ventily vypustit a udělat klasický okruh s expanskou a někde kde to nebude moc na očích nainstalovat přepoušťecí ventil, který v případě přetlaku v oběhové soustavě odpustí vodu do připraveného kýble(potom je otázka jak je přesně napojená voda do oběhový doustavy, když díky přetlaku ubýtek vody se sám dopustí nebo musíte sám vodu regulovat podle nějakýho budíku)
pak je otázka opačná jestli jestli to výkonově bude stačit abyste tam měl to svoje teplo a nebyl tam nakonec k prdu i ten přepoušták(budete topit jak blázen a stejně se v zimě dočkáte mizerných teplot)
Něco jste o tom asi sháněl, trubky by mohli být v pohodě...anebo si pořiďte bojrel a ten přepouštěcí ventil ,který u něj bude se postará o zbytek.
V příloze zasílám stručný popis bez ventilů. Chtěl bych se zeptat na na pouštění vodou. U kotle je kohou kterym se voda napousti popřípadě vypouští, bude stačit nebo budu muset umístit někam jeste nejaky? Na kotli je budík na kterém budu hlídat tlak vody a popřípadě ručně dopouštět.
Mockrát Bam děkuji za Vaše užitečné rady.