
lze přidat vypinač a světlo do hotoveho okruhu?
dobrý den, měl bych prosbu o radu
mám hotový okruh světel a vypínač k nim. Potřeboval bych ale přidat do toho další vypínač a světlo, které nebude ale nijak propojene s tím okruhem. Jen potřeb uj z toho vzít tzv "přivod". Zkusil sem to nakreslit. A chci se zeptat jestli to chápu správně jak to má byt? chci jen to aby to fungovalo a ty dva vypínače se mezi sebou tzv "nehádaly", že aby samostatně vypinaly své světla
že když mám hotový okruh, dalo by se to rozpojit, mezi to dát krabici.....v krabici by to bylo nasledovně že jeden drat zleva---druhy zprava---a dolu by šel třetí do vypínače a z vypinače dál do světla....
mohlo by tak být? nebude to vadit že když rozsvitim na jednom vypinači že nebude fungovat druhy?....
nebo by se to dalo spojit vago svorkami všechno?
děkuji za vysvetleni
P.S.
v případě vago svorek jsem to nakreslil správně jak by to mohlo být propojené?
podle nákresu by to tak být nemohlo..přívod do druhého vypínače se musí vzít rovnou z Přívodu hlavního..
navíc ve vypínači nemá co dělat ani zelenožlutý ani modrý, ty jdou přímo do světla , ale ve vypínači musí bát černýod přívodu a pak černý ze světla..
a ten přivod hlavniho mohu takto rozdelit dle druheho nakresu?
podle druhého obrázku pokud to půjde přímo z hlavního přívodu, kde jsou vyznačeny všechny barevné vodiče se to odbočit může , ale zelenožlutý a modrý mohou jít do vypínače jen tehdy, když se to pod ním bude svorkovat do světel. a černý z přívodu příjde na vypínač a ze světla černý také na vypínač..doporučuji nakreslit pořádně i kabel ze světla ...a dán znovu nákres..
asi takto by to mohlo být
pochopil jsem spravně?
![[LRCKN.th.jpg]](http://jpeg.cz/images/2014/03/26/LRCKN.th.jpg)
zkusím dat nový obrázek. Takto by to mohlo byt?
z hlavniho přivodu bych udělal odbočku a pak zeleny a modry by šly přimo do světla a pouze hnedy by šel přez vypinač? takto to muže byt?
děkuji
tak ve finále bych to dělal asi tak jak se to bude tahat nejlíp. Takže na hlavním přívodu krabice+wago. a pak v krabici vypínače bych napojil oba kabely od přívodu a od světla jak jsem nakreslil já..dnes se vše spojuje většinou vkrabicích vypínačů nebo zásuvek, ale stpjí to penízky za kabel...
takže nakreslil sem to dobře? na mě třeba polopaticky
v krabici pod vypinačem by byly spojeny modry s modrym a zeleny s zelenym a pouze hnědy by šel přez vypinač, chapu?
Být vámi nechám to raději na elektrikáři.
Dle vašeho schématu vedete do vypínače L,N a PE ale do sluníčka vedete pouze fázi. Veškeré el. spotřebiče potřebují ke své funkci uzavřený obvod pomocí vodičů N nebo PEN.
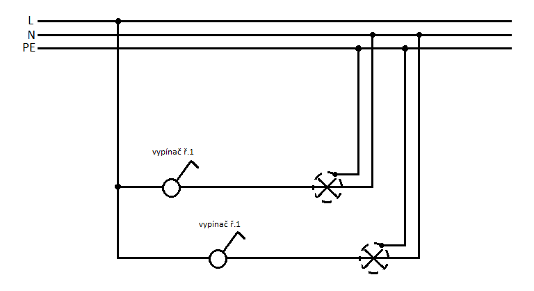
Zde jsem se pokusil splácat schéma zapojení:
Vyhláška č. 50 Českého úřadu bezpečnosti práce a Českého báňského úřadu ze dne 19. května 1978 o odborné způsobilosti v elektrotechnice ti asi nic neříká. Tak (pokud to nechceš dělat v pokojíčku pro panenky co jsou tam světýlka na plochou baterii) by ses v tom vůbec neměl šťourat a měl bys to zadal někomu, kdo tomu rozumí a ten už si s tím bude umět poradit.
To je ta, podle ktery se uz dneska neda udelat zkouska, protoze nesezenes clena ROH do komise?