
Senzory výšky hladiny
Zdravím všechny kutily,
má problém s hlídáním výšky kapaliny. Je to k zalévání rostlin do podmisky (pod květináčem) a hlídání stavu hlavní nádrže s vodou.
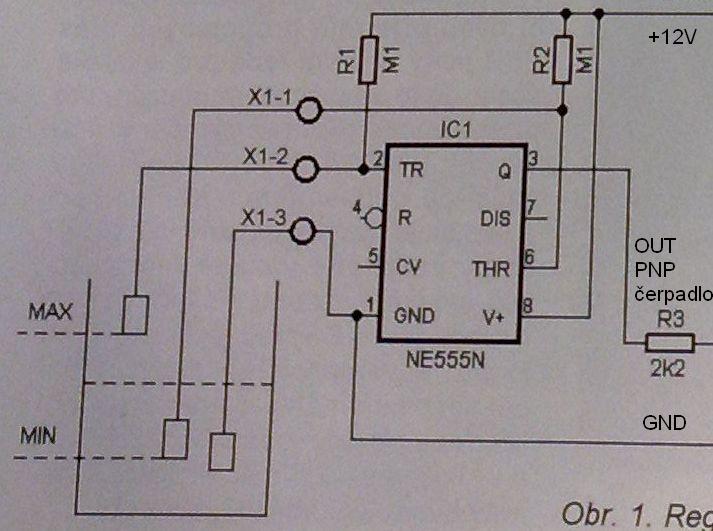
Použil jsem obvod NE555 a jako čidla 3 NEREZOVÉ dráty
První dva jsou téměř na dně a třetí je na horní hranici hladiny
1 GND
2 MIN hladina- jakmile se voda přestane dotýkat tohoto drátu, začně se napouštět
3 MAX hladina- jakmile se voda dotkne (stav čerpání) tohoto drátu, přestane se napouštět
Jenže zjišťuji po asi 14 dnech provozu, že dráty i přes to, že jsou z nerezové oceli (tuším- protože vůbec nemagnetizují, 1 mm průměr), tak asi oxidují, nebo možná galvanizací (12 V + odpor 100K) dochází k nějakému jevu, že se dráty potahují bíložlutým povlakem...
Z počátku totiž jakmile se voda dotkla (3) drátu, čerpání se zastavilo.
Ale nyní se zastaví až je (3) drát ponořen asi 3-5 mm.
Obávám se, že časem se to ještě zvýší a podmisky začnou přetékat- čerpadlo nedostane pokyn (3) STOP.
Máte někdo zkušenost, co je vhodnější k použití hlídání výšky kapaliny?
Jaký materiál, drát...???
Děkuji pěkně
V praxi se používá zrovna kvůli předejití těchto problémů střídavina.
pro inspiraci koukněte třeba sem http://www.elkoep.cz/produkty/elektronicke-pristro je/hladinove-spinace/hladinovy-spinac-hrh-5-137/
Když ti tím protéká SS proud, tak se nemůžeš divit
. Tohle musí být řešené střídavým proudem a ještě líp jen signálově - elektrody oddělit od obvodu kondenzátory. Trochu lepší varianta elektrod jsou grafitové - stačí obyč. tuha z tužky.
Pánové, díky za rady,
jen dodám, že to řeším napájením z baterie, žádné střídavé napětí není k dispozici, tudíž nemohu využít ani hladinového spínače na ~230 V.
Takže jediné řešení je to často čistit, nebo přiloži na místo drátů tuhu?
Zapojení je z jednoho časopisu (PE), viz příloha, foto.
Děkuji
Ano, použijte grafitové elektrody z baterek
Střídavé si musíš z té baterky vyrobit.

Grafitová elektroda problém nevyřeší, jen prodlouží intervaly nutné k čištění.
Primitivní verze řešení - spínej celej ten spínač jen třeba 2x denně na 5min (dobu potřebnou k načerpání vody z nuly). Pro větší přesnost pak vícekrát. Ale když ti poběží proud skrz elekrody jen 10min/den, tak interval čištění bude skoro 150x delší - ze 14dnů to budou roky.
Díky, SUPER nápad, právě pracuji na primitivních hodinách. Vezmu z nich BCD kódy a budu zalévat (podle čidel, výšky hladiny) v 10-12-14-16-18 hodin. Jinak to bude odpojené. Zapne se to vždy jen v tu chvíli a ještě, aby čerpadla nejela všechna současně, tak:
Čerpadlo 1 pojede v uvedenou hodinu, ale jen v 2 a 7 minutě
Čerpadlo 2 pojede v uvedenou hodinu, ale jen v 3 a 8 minutě
Čerpadlo 3 pojede v uvedenou hodinu, ale jen v 4 a 9 minutě
2 časy proto, že se může podmiska (voda) vyprázdit do hlíny...
V 1 minutu se bude inicializovat teploměr, pokud bude teplota nad 35 °C, tak se povolí zalévání i v 18 hodin.
Asi to směřuji k dokonalosti.
Vám všem pánové děkuji za dobré rady, bez Vás bych ještě bloudil...
A přeji pekný den
plovak s magnetem, navleceny na plastove trubce a uvnitr plastove trubky jazyckovy spinac
Také dobrý nápad, ale je tam málo místa. Podmisky jsou velké jako květináč.
Nejlépe viz foto:
Na fotce je zkušení kousek, který hodlám přes zimu vylepšit podle zjištěných zkušeností.
Zatím zvažuji opět plexi, eLko (tvar L), takto:
- dole zahnuté pod květináč, plexi nemůže vyskočit, vypadnout, zvednout se...
- směrem nahoru (mírně otevřený úhel, podle květináče a podmisky), v stojaté části budou dráty, celkem 3 (GND, Min, Max)
- nahoře opět svorkovnice
- možná to bude podobné tvaru Z, svorkovnice by byla zcela nahoře, ve vodorovné části
Mělo by to výhodu, že mohu s květináčem mírně, omylem pohnout, teď hrozí posunutí čidla a nezalévání, nebo přelití...
Teď totiž sedí květináč s podmiskou na plexi- čidlu...
Děkuji