Předmět Autor Datum
Když se takhle ptáš, tak to radši kup. Problém určitě nebude "plánek" to jest dvě ledky antiparaleln…
lk1 05.12.2017 09:06
lk1
Jsem asi špatně pochopil princip. Když se to připojuje jen na kostru, jak se rozsvítí led, která ind…
Leo.Z 05.12.2017 09:08
Leo.Z
krokodýlek dáš třeba na kostru, nebo - baterie a hrotem hledáš druho polaritu..
paul 05.12.2017 09:15
paul
Asi bych nějaké schemátko splácal co by umělo totéž co ta zkoušečka. Ale nakreslit a zbastlit by mi…
Yarda 05.12.2017 09:17
Yarda
Ja to pochopil tak že tu krokosvorku připijím na zem a zkoušečka mi ukaže, zda je v danem vodičí + n…
Leo.Z 05.12.2017 09:32
Leo.Z
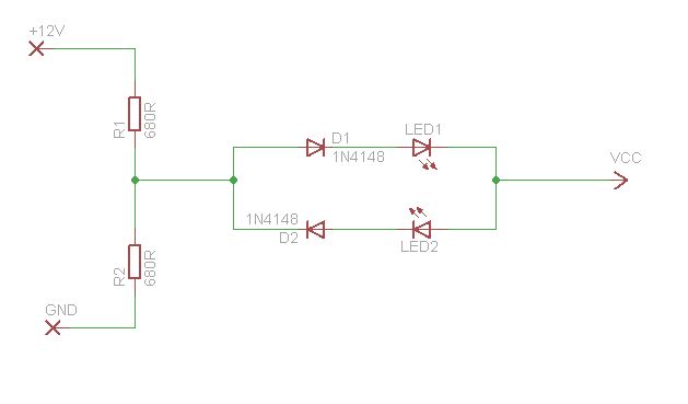
žádnou baterii nepotřebuješ, stačí dva odpory, dvě diody, dvě LED. Zapojíš to dvouma drátama na +12V…
jirka44 05.12.2017 10:01
jirka44
Konečně někdo kdo poradí :-D Nešlo by prosim namalovat jak to pospojovat?
Leo.Z 05.12.2017 10:07
Leo.Z
šlo [80547-zkousecka-jpg]
jirka44 05.12.2017 10:14
jirka44
Furt to ale nechapu. Maš tam VCC což chapu jako hrot a přes dva odpory +12V a GND Sonda ma však jen…
Leo.Z 05.12.2017 10:39
Leo.Z
Pokud chceš aby svítila jedna dioda při připojení na + a druhá při připojení na kostru, musí to být…
jirka44 05.12.2017 10:41
jirka44
Není pak lepší 2 led,2 diody, tužková baterka a vždy jen propijít zem?
Leo.Z 05.12.2017 10:52
Leo.Z
1/ tužkovou baterkou LED nerozsvítíš 2/ nevím jak si to zapojení představuješ 3/ nevím co přesně od…
jirka44 05.12.2017 10:58
jirka44
Tak jsou led co žerou 2 mA a knoflikové baterky co mají 3 V nebo třeba i 2 tužkové dokupy.
Leo.Z 05.12.2017 11:09
Leo.Z
Upravené zapojení pro LED 2mA a baterii 6V [80550-zkousecka2-jpg] EDIT: R2 má být 2k2
jirka44 05.12.2017 11:40
jirka44
Nejjednodušší verze pro max cca 14V: Zapojení a obě varianty připojení k palubnímu napětí viz obrázk…
JoDiK 05.12.2017 11:33
JoDiK
když dáš korokosvorku na zem- , tak to to ukáže kde je +, jak chceš aby ti to ulázalo - když tam nen…
paul 05.12.2017 10:03
paul
Ak ti je suma 180.-Kč nad rodinný rozpočet, nacínuj si na kábliky 2W / 12V žiarovku.
Nuda 05.12.2017 10:22
Nuda
Dat za ni 180 a skoro to same za poštovné :-( Pokud neporadíš ignoruj radějí tento topik a jdi si rý…
Leo.Z 05.12.2017 10:28
Leo.Z
Strávíte na tom času víc, než stojí za ušetřené peníze. Tohle mají v každém elektru nebo autopotřebá…
ml1 05.12.2017 13:57
ml1
Obyčejný multimetr využiješ určitě více např. https://www.zbozi.cz/dum-byt-a-zahrada/dilna/merici-pr…
Kimbert 05.12.2017 17:54
Kimbert
Si provokatér, mali ťa zakázať zo zákona.
Nuda 05.12.2017 18:00
Nuda
Pokud není někdo schopen pochopit princip ledkové zkoušečky napětí do auta, tak nevím, jak si chce n… poslední
PLV 05.12.2017 18:57
PLV

Když se takhle ptáš, tak to radši kup.
Problém určitě nebude "plánek" to jest dvě ledky antiparalelně se sériovým odporem vhodné velikosti přiměřeně k dovolenému proudu ledkou, problém bude mechanického rázu, jak to zařízení udělat aby bylo přiměřeně odolné proti pádu/rozšlápnutí/přejetí vozidlem.
A pak bys taky jako konstruktér měl myslet na to, že když to někdo strčí do zásuvky a druhý konec taky do zásuvky aby mu to pokud možno nevybouchlo před očima, takže prosím do série i pojistku, a raděj s pískem vevnitř.

Tak a vidíš, že je lepší si to koupit :-)

Asi bych nějaké schemátko splácal co by umělo totéž co ta zkoušečka. Ale nakreslit a zbastlit by mi to trvalo určitě víc než hodinu, nebylo by to tak hezké a když to srovnám s tím co za to chtějí včetně poštovného, tak bych si účtoval asi víc.

BTW: Potřebuješ, aby to zkoušelo v rozmezí napětí 3-48 V, když v běžném autě je 12V a polarita je předem daná? Já jsem si zbastlil žárovičku s dvěma kablíky, na tu žárovičku jsem napasoval umělohmotný špunt z nějaké flašky, aby se ta žárovička nerozbila když mi upadne na zem a stačilo mi to taky.

I ta blba led potřebuje + a -
Potom v té zkoušečce musí být zdroj,ne?

IMHO se to musí připojit dvěma vodiči, jeden obvykle na kostru a druhý tam, kde chceme zkoušet, jestli je tam nějaké napětí. A ve zkoušečce tuším dvě LED zapojené antiparalelně plus něco co omezí proud a ochrání ty LEDky před odchodem do křemíkového nebe. A žádný zdroj by tam být nemusel.

Ja to pochopil tak že tu krokosvorku připijím na zem a zkoušečka mi ukaže, zda je v danem vodičí + nebo zem.
Ono furt přepínat krokosvorku na + a zem neni moc idealní.
To si mužů koupit heblo od činanu za dvacku.
https://www.ebay.com/itm/DC-6V12V-24V-Light-Truck-Car-Circuit-Voltage-Tester-Pen-Probe-Test-Clip-Tools-Q/122733277369?hash=item1c937930b9:m:mKa6ZsLeXKEmwgZ9TlLzY5A

To je pak lepší jedna tužková baterka, 2 led (každa jinak otočena) a zem spojít s autem.
https://www.gme.cz/u-sonda3

1/ tužkovou baterkou LED nerozsvítíš
2/ nevím jak si to zapojení představuješ
3/ nevím co přesně od zkoušečky požaduješ. Moje zapojení, které používám už pár desítek let, slouží k tomu, aby jednoduše rozlišilo vodiče připojené na + a vodiče spojené s kostrou. Jednodušší to pro tento účel už být nemůže.

Pokud není někdo schopen pochopit princip ledkové zkoušečky napětí do auta, tak nevím, jak si chce něco takové vyrobit. :i::x::-D Pokud budeš na sebe hodně levný a počítáš za práci 100 kč za hodinu, vyjde tě ta doma vyrobená, hnusná a bez solidního pouzdra tak na pět stovek, protože za kratší dobu ji nevyrobíš. A tuto dobu by jsi mohl strávit nějakou bohulibější činností. Třeba chlastáním v hospodě. :beer:]:)

Zpět do poradny Odpovědět na původní otázku Nahoru