
Indikátor netočícího se motoru
Dobrý den. Potřeboval bych poradit ohledně indikátoru (led dioda) netočícího se motoru. Tedy aby dioda svítila když do motoru nejde proud a zhasla když se motor roztočí. Do stejnosměrného motoru jde přes regulátor 0-12V Jednoduše jsem to chtěl vyřešit pomocí relé, ale to spíná někde při 8V a já potřebuju aby spínalo nejlépe při 1V (nebo méně) a vydrželo i těch 12V na cívce. Spínaní pomocí tranzistoru podle schématu mi nefunguje (relé spíná pořád přibližně při 8V). Vím že existují i spínače čistě pomocí tranzistoru ale já potřebuju vypínač. Děkuji za jakékoliv rady
Upřesni zadání. Chceš indikovat, že se motor netočí nebo že nedostává napájecí napětí? To jsou totiž dvě rozdílné věci.
Ze motor nedostava napětí.
zkusil bych něco jako tohle. Je to první nástřel, nemám teď čas to odzkoušet, takže to nemusí úplně dobře fungovat.
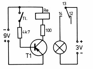
![[http://kutilska.poradna.net/file/view/4083-indikac e-jpg]](/file/view/4083-indikace-jpg)
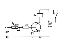
Nasel jsem toto schema, dioda pujde z 12v ale tranzistor bude spinan nizsim napetim. Jake hodnoty soucastem pouzit aby ti fungovalo na 12 a 1-11v např
Zkusil jsem to zapojit s potenciometrem 5k vpravo 12v vlevo paralelne s motorem a rele spina stejne az pri 8v.. jak je to mozne?
Ten motor asi něco pohání. Nešlo by raději snimat, že to co má být poháněné nefunguje?
No na jinem foru jsme prisli na to ze z regulatoru je spinany zdroj a proto mi nesepne rele, ale z dalsich rad jsem moc moudry nebyl. Tedy nejak pomoci kondenzatoru
Za predpokladu ze sa ten motor vypina vypinacom prerusenim toho 12V napajania (nie vypnutim samotneho toho 12V zdroja), by mohlo stacit paralelne k vypinacu zapojit ledku s potrebnym rezistorom.
Motor se nevypina, je napajen z regulatoru pro rc modely. A do regulatoru nechci nijak zasahovat
polarizované relé se 2 vinutíma. jedno bude v obvodu motoru a druhé předbudíš aby seplo při malém U
I toto male napeti muze byt 11V, to bych asi uz rele prepalil
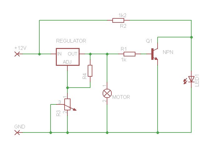
Nahoře máš zapojení s jedním tranzistorem a dvěma odporama, žádné relé nepotřebuješ. LED zhasne při napětí 0,7V, pokud chceš při větším, dáš obyčejnou diodu do serie s odporem R1. Nevím, nad čím pořád bádáš.
Pokud to má zhasínat při 1V, tak použiješ nějakou schottky diodu.
![[http://kutilska.poradna.net/file/view/4086-indikac e1-jpg]](/file/view/4086-indikace1-jpg)
Ale on potrebuje skor indikator prudu, nie napatia, pretoze napatie na svorkach motoru moze byt ale v dosledku nejakej vady sa nemusi tocit ze. Takze potrebuje daco taketo akurat ze toto zapojenie bude indikovat pritomnost prudu v obvode a nie jeho nepritomnost ako to potrebuje, treba to trochu inak zapojit aby ta ledka svietila ked prud motorom netecie a nie vtredy ked prud motorom tecie. Ale nechce sa mi to kreslit a aj tak by to nedal dokopy.
ale na to jsem se ho přece ptal hned na začátku