
Indikace přepinače
Zdar, poradíte.
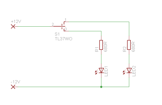
Je přepínač.
[img]nepojmywy.png[/img]
Na kontakt 1 je přivedené kladné napětí 12V (vždy jen na 10 vteřin)
Potřebují na přepínací kontakty přípojit led diody, abych v druhé místnosti poznal jejích stav.
U přepínače je těch 12V + - furt.
Dik moc.
Nejsem elektrikář, ale toto asi fungovat nebude.
Asi jsi přehlédl "Na kontakt 1 je přivedené kladné napětí 12V (vždy jen na 10 vteřin)"
Já bych si to asi představoval tak, že na diody bude stále přiveden proud + 12.
A - 12 bude připojeno přes ten odpor na kontakt 1.
Nejsem však elektrikářka, proto jsem se obrátil o spravné řešení tady.
Cože?
asi nějak takto.
3459ledpng.png
Tím pádem mezi +12V a -12V rezistorem bude neustále protékat proud. Vůbec ale nechápu smysl tohoto zapojení.
Proč?
Proud bude stale protekat přes některou led diodu.
Třeba protože mezi +12V a Rezistor -12V máte uzavřený obvod? Třeba? A v podstatě ve vašem nákresu jen připojujete paralerně ledky? S takovou se tu nedohrabeme nikde. Zapojení které vám zde kolega napsal je správné jen tam neni započítáné těch 12V na 1 pinu. Nevím čemu by mělo vadit 10s. Každopádně nabývám dojem že celé vaše zapojení bude nějak v nepořádku protože nechápu smysl těch 10s 12V na pinu 1. Hoďtě sem celé schéma té "zkratovací soupravy" a pak se dá něco řešit.
Ano, ale těch + 12 je tam 4X za den a jen na těch 10 vteřin.
To co tu dal kolega, nemůže fungovat , jelikož nema +12.
Tím pádem jen ledka problikne na 10 vteřin.
Aha, po omrknutí tvého obrázku jsem pochopil k jakému nedorozumění došlo. Každopádně mi vysvětli proč tam teda ten spínač je když na něj je jen těch +12V na 10s a nic jiného? To je pak zcela zbytečný vypínač. Prostě si kup dvojtý a udělej to jak psal kolega.
To co dal kolega muze fungovat uplne perfektne, +12V tam ide cez vypinac (co je zvycajne aj normalne pouzitie nejakeho vypinaca)
Ano, ale dotyčná osoba to myslela tak že těch 12V co jde přez vypínač se tam objeví jednou za dlouhý čas jen na 10s. Čímž vzniká otazník proč tam vlastně ten vypínač je když na něj "asi" neni nic připojeno.
Tak ona je taky otázka, jestli ten přepínač je opravdu s klidovou polohou uprostřed (soukromě si myslím, že nikoli), dále pak co znamená
. Jinak asi opravdu nejlepší řešení pro všechny varianty je dvojitý přepínač, jak už níže uvedeno.
Možná to tazatel/ka upřesní, až si ujasní, jakého je pohlaví.
Asi tak... :D S tím pohlavím je to ale vážně divné, překlep to opravdu být nemohl.
A to má vypínač po těch deseti sekundách demontovat, uložit do depozitu a někdy k večeru, až zase přijde desetisekundový pulz ho tam narvat zpět?
Možná by bylo lepší trochu vysvětlit, co to je a k čemu to má sloužit (pokud to ovšem není tajné). Takhle se nikam nedopracujeme. Tak, jak jsi to nakreslila, nebude žádná dioda svítit bez ohledu na polohu přepínače.
Chces nezmysel. Nedefinoval si jake napatia/zariadenia budu na vsetkych kontaktoch, takto vseobecne je to nerealizovatelne. Kup si dvojity vypinac.
Myslím že v tomto tématu ještě bude hodně zábavy. :D