
Vyrobit noční vidění IR diod ,,Rada jaké koupit..
Dobrý den,potřeboval bych poradit..Chci si vyrobit domací noční vidění pro videokameru..
Nevím přesně jaké IR diody koupit,některý mají větší spotřebu jiný zas menší..
IR diody chci koupit na ebay nejlépe 10mm může být i 5mm..Rád bych chtěl zapojit min. 5IR diod..
Napaájení bych chtěl pro 9V baterii nebo pro baterie typu AA nabijecí 1.2V mam jich asi 10 děkuji..
dnes IR svetlo je minulost, kup tohle: www.itnews.sk_video-citlivost-iso-409-600
...
Je to super,ale peníze na to nemám.
Je to super,ale peníze na to nemám.
Kup si diody jaké chceš... Čím budou výkonější, tím víc toho osvítí. Jediné co si pak vypočítej spotřebu aby jsi aspoň věděl jak dlouho ti to na ty baterie pojede a vůbec kolik a v jakém zapojení je tam dát. Neni to o mic těžší jak zapojit normální LEDku. Nějaký předřadný rezistor dle výkonu a finálního proudu aby jsi to neodpálil taky bude třeba.
Zapojit to chci v sérii, jedna 10mm IR dioda ma napětí min.1,6V a max. 2V...Chtěl bych zapojit 5IR diod do série na 9V baterii.Bude stačit ?? Diky
Nejde jen o napětí ale o proud... To je to hlavní. Pokud dioda bere 0,25mA a ty tam dáš 5mA tak se s ní rozluč.
Predpokládat že IR osvetlením neco ta kamera bude i snímat, je bláhovost. U kamer existuje neco jako spektrálni citlivost a Ty nevíš zda chip kamery má vúbec nejakou citlivost pro IR svetlo.
Objektiv je samostatná kapitola, prenos složek svetla rúznych vlnových délek pres objektiv je noční múrou návrháru objektívu, spúsobuje to ten jev, jak hranol rozkláda bíle svetlo na duhu, prej barevné spektrum.
První použitelný objektiv pro fotografické účely od Petzvala, který toto celkem slušne vyrešil, se stal hitem na dlouhé desítky let. Dnes je doba počítačú a presto je to i tak desnej problém. Proto u objektívu se zámerne prenos nepotrebných vlnových délek omezuje. IR svetlo pres objetív, obvykle, prenášet potrebné není.
...
Snímat bude nejlépe pokud se z ní odstraní IR filtr.
Já mám videokameru z roku 2002 asi.Ta ma zabudovaný nightshot pro noční vidění ci snimani,takže ta kamera ma IR filtr. Je to Sony handycam trv270e :) ptam Se zda bude stačit tech 5 IR diod pro napájení s 9V baterie dekuji
božinku to jsou nesmysly
jasne padnou všichni na zadek jak to osvetlíš svetlem z baterie 9V, no já nevím k čemu filmarúm a všem co se zabývají remeslem jsou ty veliké reflektory a kabely a napájecí zdroje když to lze porešit baterii 9V ...
a k čemu ti potom jsou ty IR diody, postačí svíčka, ta horí a horení je prece prírodní zdroj IR zárení, tak nekupuj nic, zapal svíčku nebo dve, výkonem to bude asi rovnocenné
...
příklad: watch něco takový chci..
Fungovat to bude ale nestojí to za nic dokud je na té kameře IR filtr... Ten je nutno odstranit. IR filtr je tam aby odfiltroval Infra spektrum. Podívej se na Danyk.cz, nekde tam má návod.
pokud tam budou diody s Ud=1,6V x5= 8V a1V zbude na předřadný odpor..pokud celkové Ud přesáhne 9V tak to epojede
Dobře ,ale když jedna dioda má min.1,6 max. 2V napětí.tak vadí když tam nebude odpor?...Však když zapojím 5 IR diod do série na 9V baterie tak si vemte že by jedna jela na 1,8V :)
Napětí a proud je něco naprosto jiného.
Je velký rozdíl u jedne IR diody když jedna má spotřebu el. energie 300mW a jiná 200mW je to velký rozdíl?
odpor tam být musí jinak ti to shoří. tak dioda 300mW máo 50%větší výkon jak dioda 200mW, si to posuď..
zdroj MUSÍ mít napětí vždy vyšší, jak je součet napětí diod...
Jaký odpor bych měl koupit?....Mam koupit takový to? http://www.radioshack.com/product/index.jsp?produc tId=2062338
to si nejdříve musíš spočítat, jednak jeho odpor a pak také výkon...to jsou základy elěktro...blíže zakl_obsah.htm
ok,díky
Co tohle rovnou napojím 9V baterii a bude to fungovat http://www.ebay.com/itm/10-x-LED-5mm-PRE-WIRED-LED S-9-VOLT-INFRARED-9V-IR-850nm-/390758481084?pt=LH_ DefaultDomain_0&hash=item5afb053cbc
Bude to svítit dostatečně daleko?
Dej před to zdroj proudu s nízkoúbytkovým stabilizátorem třeba LT 1084 za starého PC motherboardu, nastav proud podle diod, jaké koupíš, můžeš měnit jas, dáš tam 10 baterek 1.2 V a 5 IR v sérii.
Zapojení jako zdroje proudu je v datasheetu, můžeš použít i LT 1085
A to naře jak jsem daval ten dokaz hned nad tebou
Jak to vypadá "LT 1084" ?
Má to tři nožičky nebo to může být typ televize Orava. To tě vážně nenapadlo to napsat do Google?
Napadlo :D jen jsem se ujistil :) ..když to má 3 nožiky najakou mam dám + a -?
Podívej se do datašitu, je tam všechno.
Proboha..... To myslíš vážně ? Elektronika neni lego. Má jisté pravidla a pokud člověk nezná tyto návaznosti a pravidla tak opravdu nemá cenu se v tom babrat. Nejdřív si naštuduj aspoň nějaké základy třeba co to je napětí a co to je proud, že to neni to samé. Pak v průběhu zjistíš že součástky se nedají jen připojit + na jednu nožku a - na druhou a ze třetí ti vyjede párek v rohlíku. To co se tady ptáš jsou věci které když napíšeš do googlu tak ti toho vyjede tuna. Doporučoval bych ti najít ozkoušené schéma a to zapojit a nesnažit se tady špekulovat a vymýšlet druhé. Začni třeba tady: irfot.html
mě by bohatě stačilo jaký odpor koupit + jaké IR diody a to je vše..Zapojit to dokážu jen součástky bych potřeboval.Díky
Ono to vše je taky 90% veškeré práce co je na tom potřeba provést. Proto jsem říkal že je lepší když si najdeš nějaké hotové zapojení pomocí www.google.com. Pak neni co řešit.
LT 1085 má pouzdro TO 220, v motherdoardu může být i bez díry v křidélku.
Můžeš použít jako zdroj proudu obyčejný tranzistor( BD 135 ), jako referenci mu dáš do báze obyč červenou LED katodou na - a anodou na bázi, jedním odporem z + 12 V napájíš bázi ( 4 k 7 ) a druhým v emitoru (10 - 22 ohm )na mínus řídíš proud a do kolektoru zapojíš tu serii IR na + 12 V už bez odporu. Když použiješ PNP tranzistor, tak je to obraceně.
Když použiješ ten stabilizátor, tak z výstupu ( OUT ) mu zapojíš odpor na řídící vstup (REF) je to v katalogu
na IN zapojíš + baterek a na OUT tu serii diod proti -
Díky,popravdě polovinu nechápu,v tomhle nejsem nějaký extra odborník rači to vysvětlujte laicky...Stačí mi například poslat jaký odpor koupit či rezstor a jaké IR diody nějaký odkaz poslat zbytek udělám sám děkuji...
Zapojení sem ti popsal, diody si kup jaké chceš, ale stejně to bude celé na hovno, těch IR diod by tam muselo být aspoň 30, aby to mělo nějaký efekt.
V zásadě platí malý vyzařovací úhel = levná dioda
velký vyzařovací úhel a výkon = draha dioda
Mě stačí 5x IR diod 10mm ..Tak mi pošli nějaký ty odkazy kde to koupit :) ... u tohoto videa stačí jen jeen odpor : mrkni se: http://www.ebay.com/itm/10-x-LED-5mm-PRE-WIRED-LED S-9-VOLT-INFRARED-9V-IR-850nm-/390758481084?pt=LH_ DefaultDomain_0&hash=item5afb053cbc
Kde to koupit nevím, asi v radiosoučástkách, nic nekupuj a vem to ze starýho PC na šroťáku
Ono jde hlavně o to že ty trváš na tom aby jsi tam měl ty svoje vysněné diody a víc tě nezajímá. Pouze chceš aby to někdo komplet vyřešil za tebe. Jak se říká, komu neni rady tomu neni pomoci. Aby jsi to dal do kupy tak potřebuješ kameru zbavenou IR filtru, dále pak potřebuješ ty tvoje diody. K těm diodám potřebuješ vypočítat pomocí ohmova zákona (základ elektriky který prostě musíš znát jak když bičem mrská) rezistor který tam zařadíš. Nejlepší bude asi paralerní zapojení diod protože jak je známo tak ty diody snesou maximálně pár milíků. Samozřejmě jakmile budeš vědět součet proudů tak si ještě propočti kolik vatů to hltne aby jsi mohl koupit správný rezistor (aby vydržel takový výkon a nepekl). Pak to stačí jen sestrojit tedy samozřejmě dodat správný zdroj. Tu máš kompletní návod tak se pomocí něho řiď a nechtěj tu aď to všechno ostatní udělají za tebe.
když mam u led diody min.napětí 1,5V a max.napětí 2V .. Tak si můžu dát třeba 1,6V?
Viz foto je tojinak dobře? potřebuji u 5kusu diod 74ohm a u 10diod 37ohm?
A nebo také napojit 10 IR diod paralelně na 3,7V baterii s kapacitou 3000mAh vydrželo by to dlouho svítit?
Ono by to asi opravdu chtělo něco o tom vědět. Rozptyl napětí nikdy není tak velký jak píšeš, přečetl sis špatnou kolonku (min a max hodnoty, ale ne hodnoty typické). Už tu někdo radil, že je potřeba prostudovat datashied - tam je uvedeno napětí pro konkrétní typ a hlavně typické napětí v propustném směru. Toto napětí je typicky 1.2V pro GaAs diody, 1.3 - 1.45 V pro GaAlAs diody. Řadit diody paralelně není úplně ideální nápad, vlivem rozptylu hodnot kolene VA charakteristiky budou některé diody přetížené a některé nebudou svítit skoro vůbec.
O to napětí v propustném směru nejde ( mám tady asi 30 diod 50 mW, při 1.3V jimi teče 40 mA ) On musí použít zdroj proudu, který sem mu popsal, nesmí překročit maximální proud v propustném směru a zapojit je samozřejmě do serie. Nejlépe spínaný zdroj proudu,všechny potřebné součástky na to jsou ve starém počítači, na lineárním je výkonová ztráta a vyčerpává baterii.
O to tam jde.
A když nemohu sehnat tu součástku s PC?..Já su budu kupovat tyto IR diody http://www.ebay.com/itm/10-Pcs-10mm-300mw-Luminous -Diode-Infrared-IR-LED-Night-Vision-850nm-/2907089 91397?pt=US_Light_Bulbs&hash=item43af9b2da5
Hlavně když ta dioda má 1,5V až 2V
Zda to mam použít max proud 2V nebo min.prod 1,5V?
Když jsem použžil min.napětí 1,5V tak potřebuju 75ohm v serii.
Ta konkrétní dioda (resp daný typ) rozhodně nemá takový rozptyl parametrů mezi jednotlivými kusy. Pro výpočet se použije tzv. typické napětí v propustném směru, to je pro každý konkrétní typ dané a má rozptyl výrazně menší než 500mV.
A jen mimochodem, kde jsi našel to napětí? nechce se mi v tom moc vrtat a tak jsem to možná přehlédl. A taky moc nechápu proč nakupovat na eBay, když obdobné diody lze koupit za obdobnou cenu i doma. Ovšem to jen na okraj, nakupuj kde uznáš za vhodné.
P.S. Odpor, který jsi spočítal vcelku vyhoví. V případě, že napětí na diodách bude menší pak proud nepřekročí 40mA což většina diod snese. Ovšem jestli uvažuješ napájení 9V destičkovou baterií nebude asi fungovat moc dlouho, ta v sobě má života dost málo. Pro kontrolu bych s diodami zařadil do serie ještě jednu "normální" (nejlépe červenou - mají nejmenší napětí), která bude svým svitem indikovat, že baterie ještě žije. Ale musíš v tom případě upravit patřičně seriový rezistor.
Ale právěže o napětí v propustném směru jde především. Při spojení třeba 2 diod paralelně stačí rozdíl 0.1V na to, aby jedna dioda prakticky nesvítila a druhou tekl dvojnásobný proud. Vyplývá to z VA charakteristiky diody v propustném směru, protože diody jsou zapojeny právě v propustném směru. Použít spínaný zdroj proudu pro daný účel je tak trochu jako použít atomovku na brablence. Odjakživa stačil správně spočítaný rezistor. Zdroj konstantního proudu by měl význam tam, kde jde o přesný a stálý světelný tok, což v tomto případě rozhodně nejde. A radit někomu, kdo neví ani jak vlastně LED funguje, aby vybral nějaké jemu naprosto neznámé součástky ze staré základní desky a sestavil z nich zdroj, který vlastně ani nepotřebuje je skutečně rada nad zlato.
Kdybych chtěl někoho v noci sledovat, vezmu kameru se záznamem na 24 h, odstraním IR filtr a udělám IR reflektor s kaskády IR diod aspoň na 3 W a k tomu spínaný zdroj proudu s TL 494 + Mosfet( ze starého PC zdroje a boardu )
Podívej, starý počítač ti dají zdarma v každém ekodvoře ( jsou jich tam desítky ) a je jedno jaký vezmeš, horkovzdušnou pistolí vyletuj všechny součástky ze zdroje, nacpi je do nepájivého pole, ten obvod má dva komparátory, na malém odporu, třeba 2 ohmy zapojeným v serii s napájením si odebereš úbytek napětí, který zavedeš do neinvertujícího vstupu, na invertujícím vstupu si trimrem nastavíš nějakou referenci, třeba 0.25 V a můžeš tak měnit proud těch diod,na výstup zapojíš jeden mosfet z boardu, který původně sloužil pro zdroj procesoru a je to, zapojení a popis na 30 stránek TL 494 je v datasheetu.
Tak tohle určitě pomůže někomu, kdo píše
:)
Když si přečte popis v katalogu, tak jo, je to tam až neobvykle podrobně, je to hodně používaný obvod, jako třeba 555, kde je 50 stránek popisu a různých zapojení.
A hlavně to má zdarma
Díky,ale tohle je pro mě moc složitý co tady píšete,v tomhle nejsem nějaký odborník.Ale když tento chlap dokázal s odporem 10ohm a s 5IR diod zapojit do serie tak mu vše jde a nepsal nějaký součástky TL 494 nic takový ....Tak se ptám ještě jednou jaky odpor si koupit pro zapojení v serii tod vše díky...
zde odkaz.watch
No jo, dej tam 10 ohmů, vybitá 9 V baterie se stejně chová jako zdroj proudu a doufejme, že při nabité tam víc jak 70 mA možná nepoteče, tak se diodám snad nic nestane, když se trochu vybije, tak tam poteče 10mA a zase to nebude pořádně fugovat, dej si tam zkratovací vypínač na ten odpor, který zapneš, když bude baterie vybitá, ovšem jak poznáš, že je vybitá, když nebudeš vědět, kolik tam opravdu teče už nechám na tobě.
Tak mi ty součástky pošlete kde se dají koupit,abych veděl jak všechny vypadají.
http://www.google.cz/imgres?imgurl=http%3A%2F%2Fww w.abra-electronics.com%2Fproduct_images%2Ff%2F099% 2FCOM-09469__98453_zoom.jpg&imgrefurl=http%3A%2F%2 Fwww.abra-electronics.com%2Fproducts%2FCOM%25252d0 9469-LED-%25252d-Infrared-850nm.html&h=500&w=500&t bnid=_x4iqsCgE8IP1M%3A&zoom=1&docid=-aESY8UbbKZDfM &ei=o5ZDVKPjE4ziatfjgtgD&tbm=isch&ved=0CF4QMyhWMFY 4ZA&iact=rc&uact=3&dur=8013&page=5&start=157&ndsp= 46
třeba takhle
http://www.google.cz/imgres?imgurl=http%3A%2F%2Fww w.evelta.com%2Fimage%2Fcache%2Fdata%2FOther%252520 Components%2F220%252520ohm%252520Resistance%252520 Pack-0.5%252520Watt%252520(5Nos.)-700x700.jpg&imgrefurl=http%3A%2F%2Fwww.eve lta.com%2Fpassives%2Fresistor%2F220-ohm-resistance -pack-1-2-watt&h=700&w=700&tbnid=50_6oVFnkEXdzM%3A &zoom=1&docid=xUvNdGlbm9j7vM&ei=a5dDVOv_GNbsaKSpgv AL&tbm=isch&ved=0CBkQMygRMBE4ZA&iact=rc&uact=3&dur =8560&page=3&start=80&ndsp=47
:D ten druhý nejde otevřít :D já vím že potřebuji diody ,ale já myslím ten zbytek součástek :D
Nefunkční odkaz. Používej tohle:![[http://kutilska.poradna.net/file/view/2961-snimek- obrazovky-png]](/file/view/2961-snimek-obrazovky-png)
10 ohm 0.5 W
https://www.google.cz/search?q=rezistor+10+ohm+0.5 +W&num=100&espv=2&source=lnms&tbm=isch&sa=X&ei=M6B DVPzRNNHpaNmCgogD&ved=0CAgQ_AUoAQ&biw=1680&bih=959 #facrc=_&imgdii=_&imgrc=IYsAEh_WEnItPM%253A%3BXYrt Lne0GSzfPM%3Bhttp%253A%252F%252Fwww.uchidg.com%252 Fphoto%252Fpl2072924-e96_560k_ohm_5_carbon_film_re sistor_1_8_watt_wire_wound_resistor.jpg%3Bhttp%253 A%252F%252Fwww.uchidg.com%252Fchina-e96_560k_ohm_5 _carbon_film_resistor_1_8_watt_wire_wound_resistor -2038601.html%3B785%3B505
To už je moje poslední otázka..
U jedné diody mam napětí 1,5 až 2V
Proud 20mA
zdroj bude 9V
Teď beru jednu diodu
Mam to počítat tak že si vemu u jedné diody 1,5V rezistor bude 375ohm
Nebo 1,7V u jedné diody a odpor bude 365ohm..
Příklad: Zapojil bych 5 diod v serii s napětí u každé diody 1,7V a odpor by byl 25ohm může to takhle být?..nebo mam vždy brát to nejmenší napětí u led diody a to je 1,5V?...
Neznám VA charakteristiku diod, které máš, nejde odpovědět, zapoj je do serie a dej tam takový odpor, aby netekl větší proud jak 20 mA
Odhadem ten odpor bude něco mezi 10 až 22 ohmy, možná 47
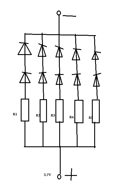
A nebo to zapojit jinak:
zdroj by byl 3,7V klasická nabijecí li-ion baterie
11kusů IR diod u každé napětí 1,5V
proud 20mA
A zapojil bych to paralelně.. rezistor bych potřeboval 10ohm je to taky možné??
Jinak to jso tyto diody: http://www.ebay.com/itm/10-Pcs-10mm-300mw-Luminous -Diode-Infrared-IR-LED-Night-Vision-850nm-/2907089 91397?pt=US_Light_Bulbs&hash=item43af9b2da5
Tak to nejde, musel by být u každé diody zvlášť odpor, paralelně je zapojovat nemůžeš, každá je jiná, na 3.7 V bych dal vždy 2 do serie, jinak by se ti při jedné víc jak 60 % energie ztrácelo na odporech
Když dáš na 3.7 V vždy po dvou do série, předřadné odpory taky budou kolem 10 - 22 ohm
Takže zapojím vždy 2 diody seriově + dám odpor VIz schéma
Třeba to ani na těch 3,7V takhle nebude fungovat.
Jo, přesně takhle, ale bylo by lepší, kdybys tam dal místo těch odporů zdroje proudu s tranzistory, jak sem ti popsal
Ale když ten tranzistor má tři nožičky jak ho napojit?...Zkuste udělat scháme jen toho tranzistoru jak ho napojit :) + jakej koupit nebo myslíš "LT 1084 " ?..když ta jedn adioda má 1,5V proud 20mA
PS: stačilo by těch 3,7V?
A jsme zase na začátku, bude se řešit zapojení nožiček:) Dobrý.
Jak na začátku nikdo mi nenapsal jak přesně napojit ten tranzisotr tak mi udělejete scháme jak by to mělo vypadat když to bude zapojený budu velice rád :).!
jinak jsem v tom ztracenej.
kdybych tam zapojil te odpord co by se stalo?
schéma nakreslit neumím, mám počítač teprve krátce, ale vezmi odpor z + ( tak 1 k ) spoj báze všech tranristorů ( NPN BC 239 nebo podobné ) z bází dej na kostru dvě diody v serii, jednu 1 N 4108 a druhou shotky , nějakou SB ***, tak aby vznikl úbytek 0.85 V a na přechody tranzistorů zbylo 0.6 V a 0.25 V na emitorových odporech Do kolektorů připoj ty serie po dvou IR na +
A z každého emitoru na kostru tak kolem 12 ohmů a poteče tam konstantní proud zhruba 20 mA
Díky,ale já prostě nechápu to jak to píšete nedokážu si to v hlavně vybavit jak by to vypadalo :// v tomhle jsem amatér sorry,ale je to tak fakt to nechápu jak to píšete.
Tak aspon to nakreslit n apapír a hodit to sem opravdu by mi to pomohlo. :)
Takhle to vypadá http://i01.i.aliimg.com/photo/v0/350412987/BC239C_ Amplifier_Transistors_NPN_Silicon_amplifier.jpg
Jsou tam 3nožíčky 1 2 3 ..
S + to napojím na jakou nožičku?A z jaký nožičky mi to bude vést na diodu,nějak laicky mi to aspon popište. :)
Nožičky jsou tři E B C
C je kolektor, tam jsou ty dvě IR v serii na +
B je báze, tam je odpor 470 ohm až 1 k na + a dvě diody, jedna normální a druhá shottky v serii v propustném směru na - čili katodami k - kvůli tomu úbytku zhruba 0.85 V
E je emitor, tam jsou ty odpory 10 až 12 ohm na -
Ježíšmarjá, proč to řešit jednoduše, když to jde složitě. Na tohle se odjakživa používaly, používají a používat budou rezistory. Pokud si diody rozdělíš do skupin po dvou, ty dvě diody spojíš seriově a k nim rezistor 33 ohmů (počítám s LiOn akumulátorem)a takto vytvořených 5 dvojic spojíš paralelně tak i při největším rozptylu parametrů diod od uvažované hodnoty nepoteče proud větší než 40mA a to diody zvládnou. Používat zdroj konstantního proudu má význam při velkém rozsahu možných napájecích napětí. Pro takto jednoduché zapojení je to tak trochu mimo. Jak to tak vypadá, tak za chvíli někdo poradí použít nějaký zdroj řízený počítačem
No podívej, má se to tak, že prvně začínal s napětím 9 V, případně 10 NICd 1.2 V tak proto
takže stačí teda akumulátor s napětím 3,7v? .) to už je asi vše.
Ano začínal,ale potom jsem si řekl že bych furt kupoval ty 9V když si můžu koupit nabíjecí baterii s napětím 3,7V
stačí, ale dlouho to svítit nebude, dej tam 12 V s jedním nebo dvěma zdroji konst proudu a můžeš sledovat celou noc bez obsluhy
Tu bázI nwm jak bych napojil,když uděláš schéma tak to pochopím bez něj to neudělám protože sám nevím jak bych to zapojil stím tranzistorem ://
S odporem vím.
Předtav si odpor z plusu a dvě diody v serii na mínus a ty báze zapojíš mezi ten odpor a diody.
Takže takhle mrkni na schéma,a zda to je špatně tak mi to nakresli vyfot to do mobilu a hod sem jinak tě nikdy nepochopím promin. :)
OMG, napři svoje znalosti k tomu, jak zapojit a spočítat předřadný odpor. Tohle zapojení fungovat nemůže a nebude. Vysvětlovat proč nemá smysl, možná tak za deset let a to jsem optimista.
diody v bázi jsou 1 N 4108
s odporem 39 ohm poteče 15 mA
s odporem 27 ohm něco přes 20 mA
pro napětí 12 V to bude vypadat stejně, pouze v kolektoru bude 7 až 8 IR v serii
Pro napájení 3.7 V musí být jedna dioda shottky a odpor kolem 10 ohm a dvě IR v kolektoru v serii
V takovém případě by bylo lepší zapojit diody po dvou serioparalelně a ke každé dvojici seriově zapojených diod použít jeden rezistor. Ale v takovém případě by bylo vhodné znát skuetčné napětí na diodách, aby se dal s dostatečnou přesností spočítat seriový rezistor. Z důvodu co nejmenších výkonových ztrát na seriovém rezistoru je potřeba, aby rozdíl mezi potřebným napětím na diodách a napětím zdroje byl v jistých mezích co nejmenší, proto ty diody po dvou v serii.
Super!..Až mi ty diody přijdou tak každnou změřím kolik má min. napětí :) díky všem
Hlavně nezapomeň, že LED nemůžeš ke zdroji napětí připojit přímo, ale přes omezovací odpor. Jinak budeš mít deset manžetových knoflíčků
To nemusíš měřit, podvej se během toho nakupování na datasheet, kde máš všechny údaje uvedené...
A teď se tě zeptá co to je datasheet.