
jednoduchý zesilovač
Ahoj,
Navrhnul jsem si vlastní zesilovač v programu eagle napojený na 12V a nevím jesli je správně zapojený.
Mohlo by fungovat?
obrázek schématu je dole
popřípadě i soubor schematu
Ahoj,
Navrhnul jsem si vlastní zesilovač v programu eagle napojený na 12V a nevím jesli je správně zapojený.
Mohlo by fungovat?
obrázek schématu je dole
popřípadě i soubor schematu
Zpět do poradny Odpovědět na původní otázku Nahoru
Neznám LM386 (a guglit to nebudu), ale nechápu ty R1 a R2, u kterých máš uvedenu hodnotu pro kondenzátory. Chybí ti tam vstupní kondenzátor, výstupní kondenzátor, u napájení filtrační kondenzátor + odrušovací 100nF. Regulace hlasitosti tam nebude?
sem začatěčni nemohl by jste udělat schema ?
lm386:lm386-p313-011
K čemu to vůbec má sloužit?
zesílení zvuku
To jsem pochopil. Když tu myšlenku nerozvineš, tak se aspoň podívej na zapojení v datašitu a udělej to podle toho. Snad to nemá být nějaký levný hifi zesilovač.
Levný být nemá. Má být - podle nadpisu - pouze jednoduchý.
text-schema
vymyslel jsem lepší způsob zapojení nemohl by to někdo zkontrolovat ?
Pár plošňáků jsem taky navrhnul, ještě v době, kdy se u strojním návrhu začalo mluvit. Připadá mi, že hróóózně plýtváš místem. Pokud nemáš důvod proč by ten plošňák měl vypadat zrovna takhle, tak ho ještě překresli - IMHO se to vejde na poloviční plochu.
A součástky máš kde? Možná tam někde nějaké jsou, ale já je nevidím. To je děsné, ty máš nějaký kreslící program a nudíš se, že?
Kdyby takhle pracovali Číňani, tak máme dodnes předražené americké sračky místo počítačů!
Obrázek "výstřižek" je nepoužitelný, ten úplně první by se dal považovat na začátečnické pokusy, ale chce to začít úplně znovu.
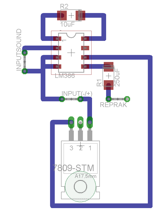
Normálně si polož na čtverečkovaný papír ze sešitu broučka IO a podívej se na číslování nožiček - shora. Pak si najdi pin pro vstup, výstup, + napájení a zem. Z výstupu ti půjde nevětší součástka - elektrolytický kondnzátor na výstup pro reproduktor. 250 µF se nevyrábí, nejbližší hodnota je 220 µF, nebo lépe 470 µF, protože tato hodnota také určuje jak hluboké basy budou slyšet nebo ne.
Nakresli si maličké kroužky pro vstup, zem, výstup na reproduktor a plus napájení. Pak se pokus tyto body propojit s piny na integrovaném obvodu a nakreslit cestičky od součástek. Cestičky mohou procházet pod součástkou - cestičky jsou dole, součástka (pokud není SMD) je nahoře.
Na vstup nemusíš dávat potenciometr, hlasitost asi bude nastavovaná z MP3 přehrávače, nebo výstpu PC, nebo z čeho se vlastně bude brát signál.
Mezi 1 a 8 je obvod určující napěťové zesílení zesilovače.
a) Při rozpojené 1 a 8 je zesílení 20x (dvacet krát), což znamená, že ze signálu na vstupu například 100 mV bude výstupní napětí 100 x 20 = 2 000 mV, což jsou 2 V. Výstupní výkon těchto 2 V do reproduktoru 8 ohmů bude U na druhou děleno R, což je 2*2/8 = 4/8 = 0,5 W (což je pro tento zesilovač až dost, pak už dochází ke zkreslení).
b) Při zapojení kondenzátoru 10 µF mezi 1 a 8 je zesílení 200x, což se hodí, pokud dáš na vstup mikrofon a budeš chtít zesilovat opravdu slabý signál. Pro zesílení jako v předchozím případu (na 2 V výstupního napětí) bude stačit pouze 10 mV.
Na prvním obrázku máš správně použitý stabilizátor napětí 9 V, protože 12 V je pro tento zesilovač moc. Podle datašítu je vhodné napájecí napětí 9V (nebo nižší a reproduktor 8 ohmů. Ale stabilizátor 7809 potřebuje jako ostatní z této řady blokovací kondenzátory 100 nF mezi vstup a zem a druhý mezi výstup a zem. Jednodušší by ale bylo napájet zesilovač přímo za baterie 9V (nebo dvou plochých 4,5 V sérii, nebo z adaptéru 9V=).
V Eagle si zjisti, jaké součástky budeš používat, je jich tam strašně moc a začátečník se v tom těžko orientuje. Pokud nebudeš dělat pidi zesilovač, je zbytečné používat SMD součástky, také se podívej na možnost dát na vstupy pájecí špičky (i když je neosadíš, budeš mít pro ně na plošňáku dírku a plošku mědi) nebo svorkovničky na šroubek.
Atd..