

Jak zapojit relé na 6V ?
Dobrý den
mám problém...radiopřijímač má napájení na baterky i na síťový externí zdroj 6V. Když připojím zdroj,odpojí se baterky.Pokud vypnou proud a konektor zdroje je zastrčený v rádiu vymažou se všechny paměti a nastavení Do rádia nemohu z důvodu záruky. Tudíž potřebuji vyřešit externí napájení. Vidím to asi takhle - krabička se čtyřmi tužkovkami do které je připojen externí zdroj na 6V. Uvnitř nějaké relátko které bude přepínat buď na baterky nebo na zdroj,podle toho jestli bude zdroj pod napětím 220. Vypnou elektriku,relátko přepne na baterky.Zapnou elektriku,relátko přepne na zdroj.
Prosím někoho kdo tomu rozumí o nějaký nákres nebo schema jak to udělat.Jsem schopen udělat i plošný spoj.Ale nejsem schopen navrhnout zapojení...tedy i typ a označení relátka,pokud tam budou odpůrky nebo něco navíc tak hodnoty.Nebo jestli někdo ví o nějaké stavebnici...
Děkuji moc
Nepotřebuješ relátko, stačí dvě diody. Podmínkou je, aby zdroj dával o něco větší napětí, než mají baterie.
No díky....ale o kolik větší napětí a jak to zapojit ? A jaké diody ?
Stačí o půl voltu. Diody podle odběru rádia, třeba 1N400x .
nojo...ale takhle bude úbytek půl voltu i na těch baterkách,což se mi moc nelíbí.Přece jen bych to zkusil raději s tím relátkem.
já nevím, nejsem odborník.....měl jsem za to, že ovládání relátka bude napětím zdroje. Vypadne zdroj,relátko odskočí do klidové polohy a nic nežere. Nevím, možná to chápu blbě...klidová poloha je přepnutí na baterky
jj, máš pravdu. stačí takhle?
No..nějak takhle jsem to měl ve svém původním úmyslu.


Podobný byl první nápad, že tam dám jen obyčejný přepínač a když budu odcházet,tak to jen mechanicky přepnu na baterky....
ale tenhle dotaz na foru myslím tak, že potřebuji aby mi někdo polopaticky řekl jaké relé (označení) a na kterou nožičku mám co připojit nebo co od ní mám kam vést.Žádný takový obrázek nikde není.Nebo možná je ale já jsem ho nenašel.
Většinou je to natištěné na plášti rele
http://www.ges.cz/cz/hledat/?search=rele+6v&listTy pe=1
rsm957.pdf
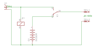
opravte mne prosím jestli se mýlím: takže v tom datovém listu pdf je schema...
zapojím to tedy takto ???
1 plus baterek
2 společná zem pro zdroj i baterky
5 plus co půjde do rádia
6 plus co půjde do rádia
9 plus od zdroje
10 plus od zdroje
je to tak ?
kolik mi to relátko ubere na proudu a na napětí zdroje ?
To relé je na daný účel zbytečné. Minus baterie a minus zdroje spoj a na konektor do radia. Vezmi dvě diody spoj dohromady obě katody (ty konce, kde je na plastových diodách proužek, nebo kam ukazuje šipka). Tento spoj povede na plus do radia. Na zbývající konce diod připoj na jednu zdroj a na druhou baterii.
To je vše, bude to fungovat automaticky, na různém napětí zdroje a baterie nezáleží, úbytek napětí na diodách je celkem zanedbatelný, nestabilizované síťové zdroje mají stejně napětí vyšší. Pokud by úbytek napětí přesto vadil, použij diody schottky, mají malý úbytek.
Jinak relé z datalistu: (5-6) +radia, (10) +baterie, (1) +zdroje, (9)+zdroje, (2) -zdroje.
pokud to dobře chápu tak s těmi diodami nic neřeším....protože budou baterky zapnuté prakticky pořád i když poběží zdroj a budou se vybíjet imrvere...to potom nepotřebuji zapojovat zdroj.
nebudou - proud tece od vetsiho potencialu k mensimu. Pokud bude napeti zdroje vetsi nez napeti baterek, bude to zivit zdroj. Teprv kdyby zdroj byl mekkej a budik tahal vic, tak to pujde z baterek. Mozna by ty baterky stacili i tri, na udrzeni pameti by to stacit mohlo.
jedině že bych tam dal nabíjecí...aby to mělo nižší napětí než ten zdroj.
zdroj s napisem 6V ma malokdy 6V - spis ma naprazdno 9V a pri velky zatezi 5V. Takze normalne to bude zivit zdroj, obcas kdyz bude budik rvat hodne nahlas mu helfnou baterky - nez se trochu vybijou(novy maj rekneme 1.58V a na konci zivota 1.2V - presto na nich pisou 1.5V). Pak uz to bude jen na zdroji, pri vypadku na baterkach. Jeste se tomu da pomoct tim, ze dioda od baterek bude normalni(ubytek 0.5V) a od zdroje shottky(0.2-0.3V podle typu) - ale podle me to nutny nebude.
No zdroj mám tenhle...
mw-6v-1a-GES07507068.html
a rádio bere tak 80 až 200 mA ale těch 200 je maximum v návodu pro zdroj. Já to pouštím celkem potichu.
OK, tak ten zrovna je stabilizovanej. tak udelej tu fintu s diodama - kup treba
www.ges.czpred baterky dej dve nebo tri seriove a pred zdroj jenom jednu. A je hotovo.
Bezva...ty diody jsem objednal ještě v noci a dokonce ten samý typ jak jsi napsal ráno
takže jsem se docela strefil.Děkuji moc.